厢式、板框式压滤机是悬浮液固、液两相分离的理想设备。该系列压滤机为机、电、液一体式,液压压紧,手动机械锁紧保压型。操作维护方便,运行安全可靠等特点。被广泛用于化工、石油、医药、食品、印染、皮革、冶炼、纺织等中小型企业的生产及污水处理设备。该系列压滤机主要规格有:XAMYJ(G)20~100/920-UBK压滤机有明流、暗流之分,它们各自又有滤饼的可洗式和可洗式。如需获得略干的滤饼,可向压滤机通入干燥的压缩空气吹压,将滤饼中残余的部分水分再度排出。想进一步降低滤饼的含水率,可选购带隔膜压榨的压滤机。如需在高温状况下进行悬浮液分离时,您可选用金属滤板的压滤机。


XAMY40 - 100/920 - UBK厢式压滤机是一种用于固液分离的设备,以下是关于它的一些信息:一、型号含义
“X”表示厢式压滤机; “A”可能代表滤液流出方式为暗流(通常明流用“M”表示,不过不同厂家的命名规则可能有差异); “Y”表示该压滤机为液压压紧方式; “40 - 100”可能表示过滤面积的范围是40 - 100平方米(具体需结合厂家规定,因为有的厂家型号中过滤面积是准确值,有的是近似值或范围); “920”指的是滤板的外形尺寸为920mm×920mm; “UBK”滤板材质为非金属(默认聚丙烯材质)不可洗或可洗功能等。
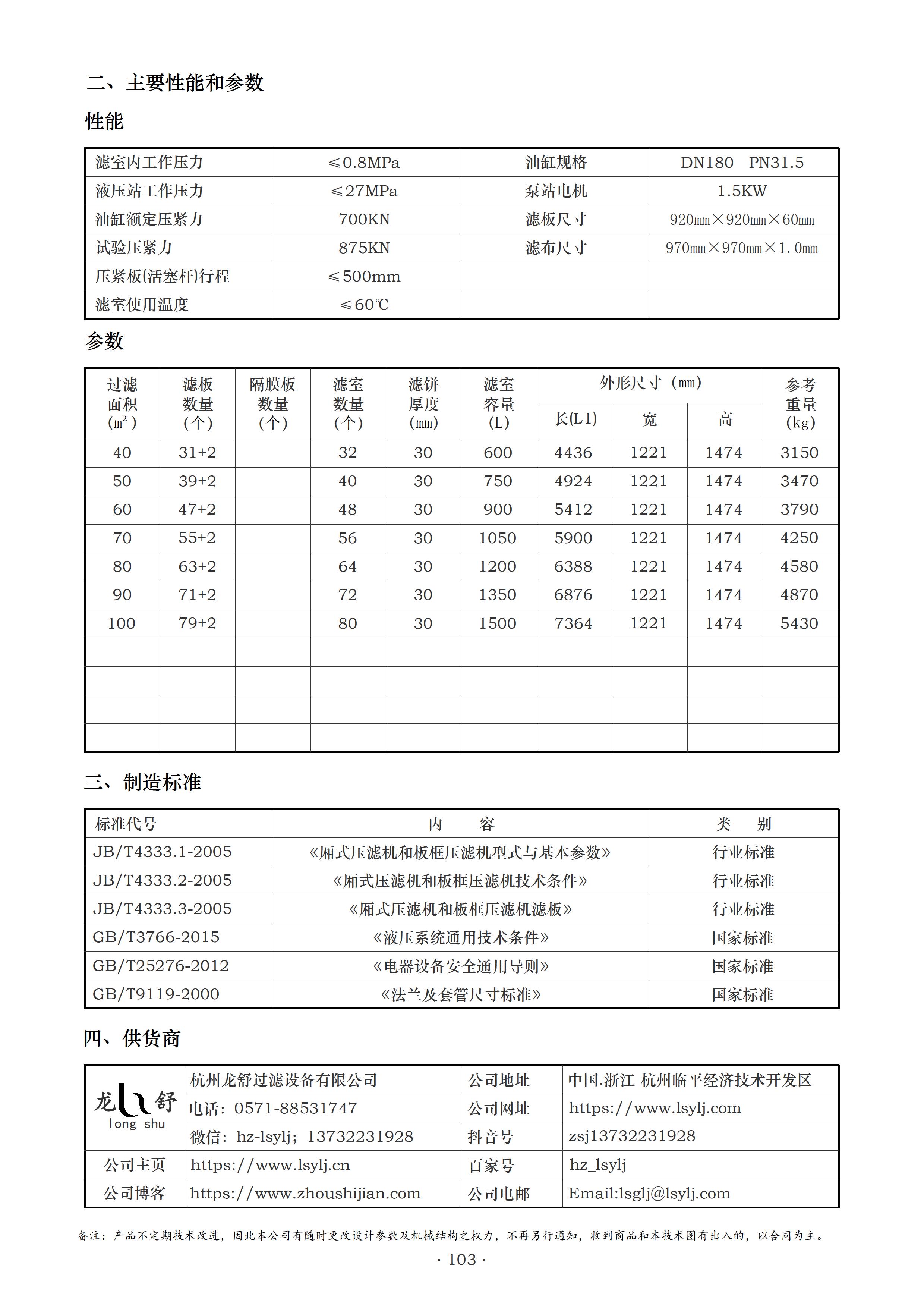
二、技术性能
过滤压力:一般小于1.0MPa。液压压紧压力:可达25MPa。 活塞杆推力:700KN。使用温度:通常要求≤100℃。
三、工作原理
该压滤机由滤板排列组成滤室,滤板两侧凹进,每两块滤板组合成一厢形滤室。工作时,在输料泵的压力作用下,需要过滤的物料液体被送进各滤室,通过过滤介质(如滤布),在压力作用下实现固体和液体分离。液体穿过滤布并沿滤板沟槽流至下方出液孔通道,集中排出;固体在滤布上形成滤渣,直至充满滤室形成滤饼。过滤结束后,打开压滤机卸除滤饼,清洗滤布,重新压紧滤板开始下一工作循环。 ### 结构组成 - 主要由止推板、压紧板、油缸体和主梁等部件组成。机器工作时,油缸体内的活塞推动压紧板,将位于压紧板与止推板之间的滤板、滤布压紧,以保证带有压力的料浆在滤室内进行加压过滤。
四、应用领域
厢式压滤机广泛应用于化工、石油、医药、食品、印染、皮革、冶炼、纺织等行业的生产及污水处理。XAMY40 - 100/920 - UBK厢式压滤机也适用于这些领域中需要进行固液分离的工艺环节,可根据不同行业的物料特性和生产要求,选择合适的过滤介质和操作参数,以实现高效的固液分离效果。


声明一下:本网站上展示的产品仅用于工业上的污水固、液分离,由于产品的专业性和专用性,每件商品的具体性能和使用方法均不尽相同,页面上的描述仅供参考,并不适用于每个具体商品,您在决定购买之前,务必事前(老板电话13732231928)沟通。谢谢您的理解和支持!(本站仅用于产品展示,不接受线上交易)。








