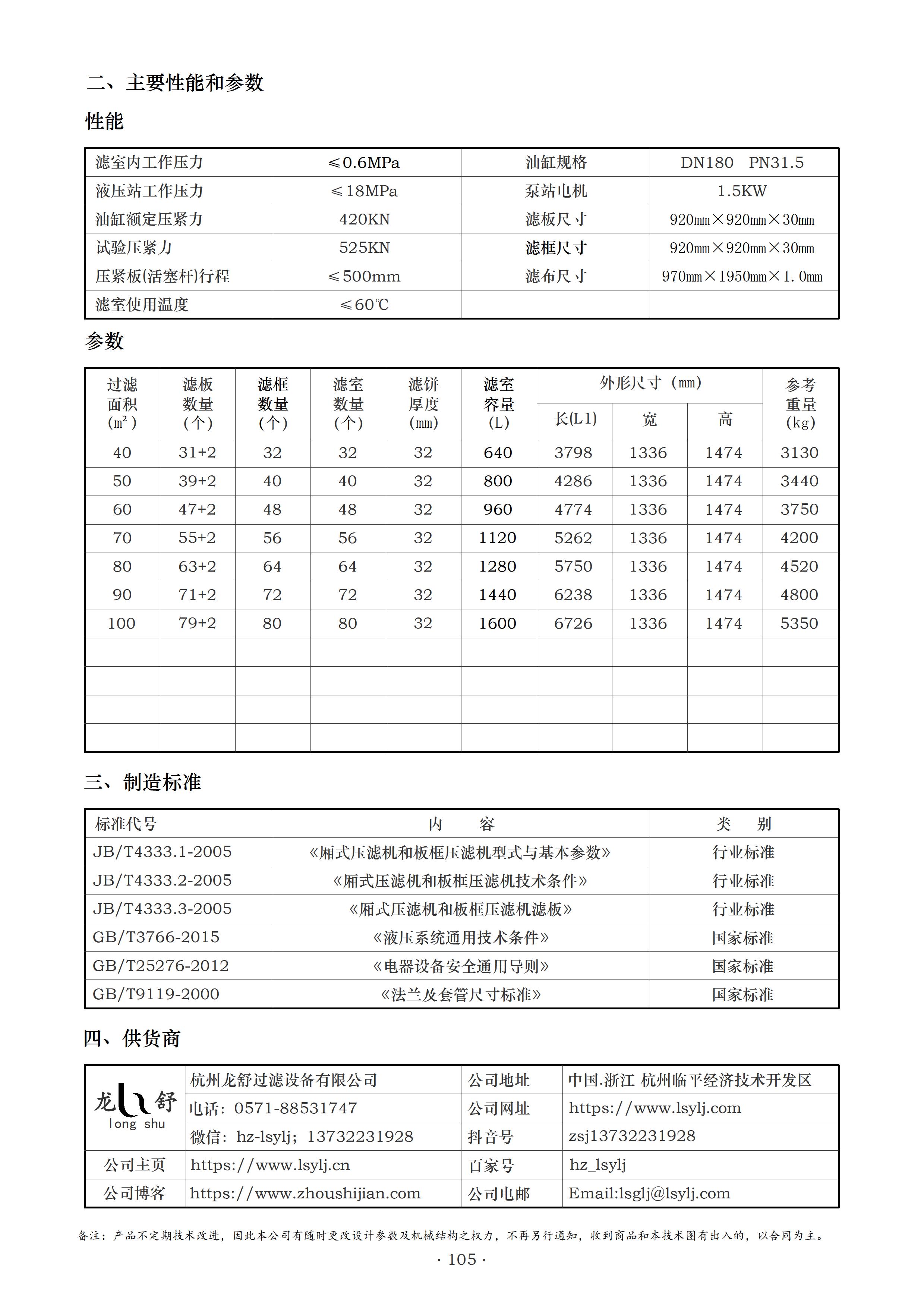
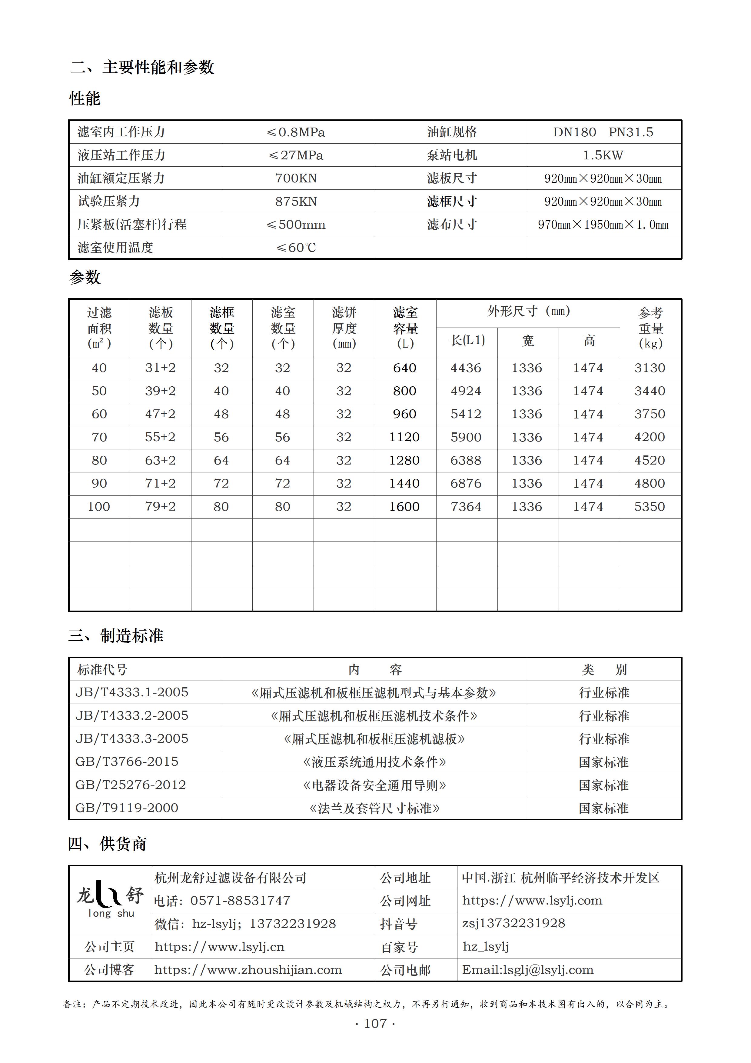
BY920型板框式压滤机:厢式、板框式压滤机是悬浮液固、液两相分离的理想设备。该系列压滤机为机、电、液一体式,液压压紧,手动机械锁紧保压型。操作维护方便,运行安全实用等特点。被广泛用于化工、石油、医药、食品、印染、皮革、冶炼、纺织等中小型企业的生产及污水处理设备。该系列压滤机主要规格有:BAMY/J20~100/920-UBK压滤机有明流、暗流之分,它们各自又有滤饼的可洗式和可洗式。如需获得略干的滤饼,可向压滤机通入干燥的压缩空气吹压,将滤饼中残余的部分水分再次排出。想进一步降低滤饼的含水率,可选购带隔膜压榨的压滤机。如需在高温状况下进行悬浮液分离时,您可选用金属滤板的压滤机。




BAMY/J20~100/920-UBK系列压滤机是一种板框式压滤机,以下是其简要介绍:
型号含义:“B”表示板框式;“A”表示暗流;“M”指明流;“Y”表示自动液压压紧;“J”代表千斤顶压紧、机械保压;“20~100”表示过滤面积范围;“920”指滤板外框尺寸为920mm;“UBK”中,“U”代表滤板材质是聚丙烯,“B”为不可洗式,“K”为可洗式。
结构组成:主要由止推板(固定滤板)、压紧板(活动滤板)、滤板和滤框、横梁(扁铁架)、过滤介质(滤布或滤纸等)、压紧装置、集液槽等组成。其中,滤板是核心部件,材质为聚丙烯,具有质量轻、耐酸碱性好等特点。
工作原理:工作时,液压缸将所有滤板顶紧在活动头板和固定尾板之间,使相邻滤板之间形成密闭滤室。矿浆从固定尾板入料孔或分多段以一定压力给入压滤机,利用泵或压缩空气对矿浆的压力,在滤布两侧形成压力差。矿浆中固体颗粒由于滤布的阻挡留在滤室形成滤饼,滤液透过滤布通过滤板上的泄水沟排出。
性能特点:该系列压滤机过滤压力一般在0.4-0.6MPa,能适应一定范围的物料压力要求。自动化程度较高,采用自动液压压紧或千斤顶压紧、机械保压方式,可减少人工操作强度,提高工作效率。滤饼效果好,滤饼含水率低,单位产量高,且占地面积小。
应用领域:广泛应用于化工、制药、冶金、染料、食品、酿造、陶瓷及环保等行业,主要用于实现固液分离,提高产品质量,减少环境污染。
如您在压滤机、过滤工程选型中需要更多的过滤与分离方面的咨询,欢迎来电(13732231928周经理)咨询,我们可根据您现场过滤工况和您共同做好设备方案设计和科学选型。









