X(S)J420型小型手动压紧厢式压滤机是一种常用于固液分离的设备,以下从结构、工作原理、特点和应用等方面进行简述:
一、结构
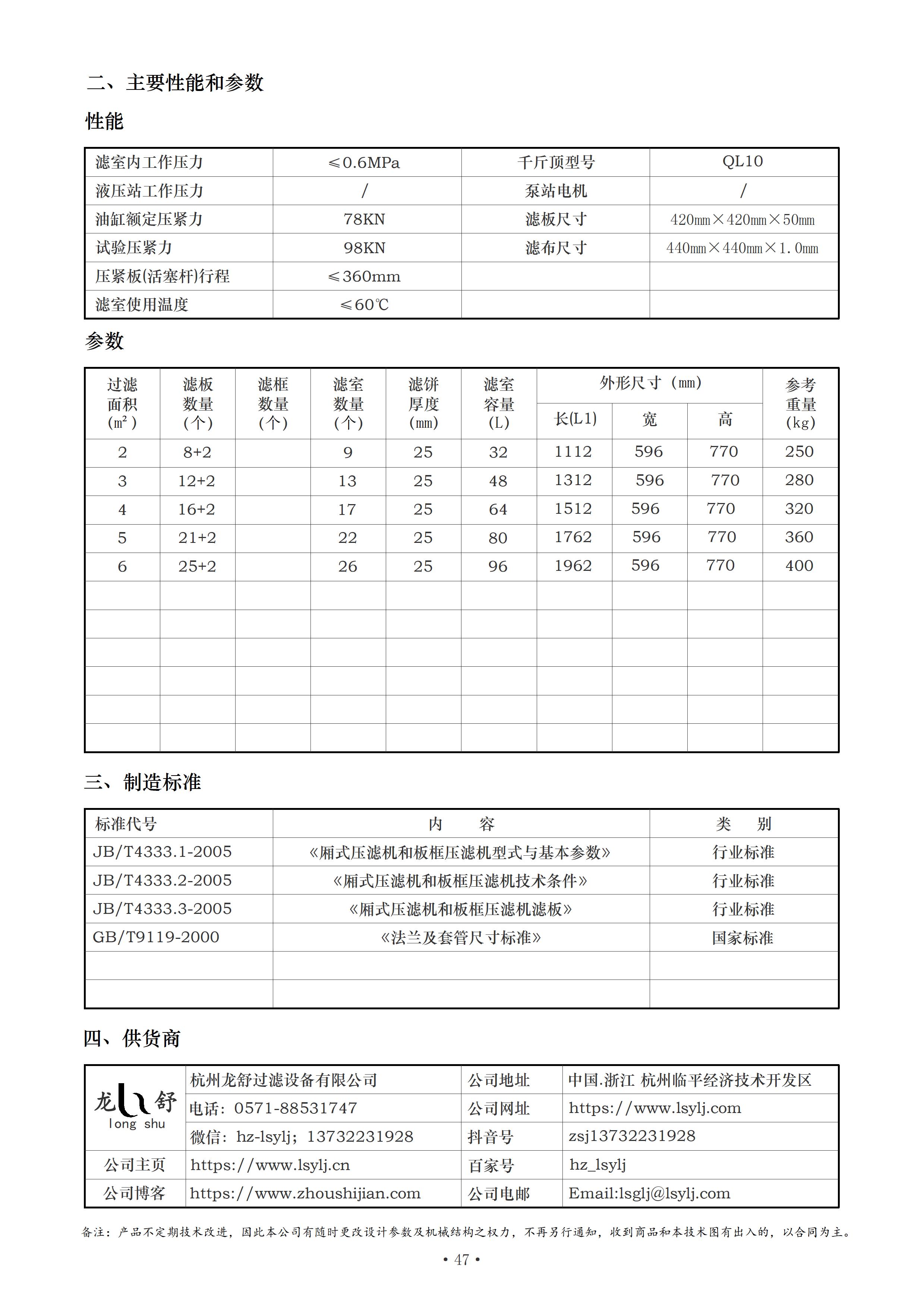
滤板:是压滤机的核心部件,通常由增强聚丙烯等材料制成,表面有凹槽和凸起,用于形成过滤腔室和导流滤液。X(S)J420型的滤板尺寸相对较小,适合小型化的过滤需求。
滤框:与滤板配合使用,形成容纳待过滤物料的空间,在过滤过程中,滤框起到支撑和密封的作用。
压紧装置:采用手动操作方式,通过旋转手轮或手柄,带动丝杠或其他传动机构,使滤板和滤框紧密贴合,形成密封的过滤腔室,以保证过滤过程中物料不会泄漏。
机架:用于支撑滤板、滤框和压紧装置等部件,通常由槽钢、角钢等焊接而成,具有足够的强度和稳定性,能承受过滤过程中的压力。
二、工作原理
进料:待过滤的悬浮液通过进料口被输送到由滤板和滤框组成的过滤腔室内。
过滤:在压力作用下,液体通过滤布渗透到滤板的滤液通道中,而固体颗粒则被截留在滤布表面,随着过滤的进行,固体颗粒在滤布上逐渐堆积形成滤饼。
排液:滤液通过滤板上的排液孔排出压滤机,实现固液分离。
卸料:当过滤完成后,松开压紧装置,打开滤板和滤框,将滤饼卸下。
三、特点
作简便:手动压紧方式,无需复杂的电气控制或液压系统,操作人员通过简单的操作即可完成设备的压紧、过滤和卸料等过程,对操作人员的技能要求较低。
结构紧凑:整体结构较为简单,占地面积小,适合空间有限的小型生产车间或实验室使用。
过滤效果好:通过选择合适的滤布和调整过滤压力,可以实现较高的过滤精度,有效分离悬浮液中的固体和液体,满足不同物料的过滤需求。
维护成本低:由于设备结构相对简单,没有复杂的自动化部件和易损件,因此维护保养较为方便,维护成本较低。
四、应用
小型化工生产:用于化工原料的过滤、产品的分离和提纯等,如染料、颜料、药品中间体等生产过程中的固液分离。
实验室研究:在科研实验中,可用于小批量样品的过滤和分离,为实验提供准确的固液分离结果,便于后续的分析和研究。
小型污水处理:适用于一些小型企业或单位的污水处理,对污水中的悬浮固体进行过滤去除,达到初步净化水质的目的。
食品加工:在食品行业中,可用于果汁、糖浆、油脂等物料的过滤,去除其中的杂质和固体颗粒,提高产品的质量和纯度。


如您在压滤机、过滤工程选型中需要更多的过滤与分离方面的咨询,欢迎来电(13732231928周经理)咨询,我们可根据您现场过滤工况和您共同做好设备方案设计和科学选型。









