以下是关于B315到B650型小型压滤机滤板和滤框的相关信息:
B315型压滤机滤板和滤框
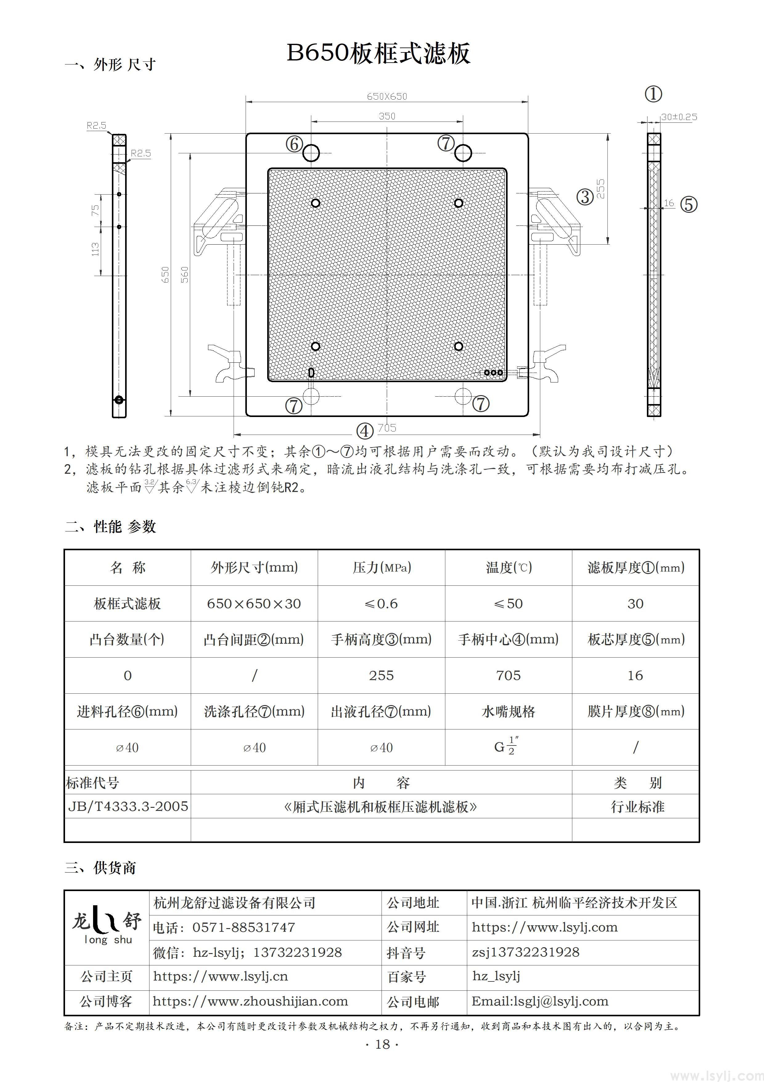
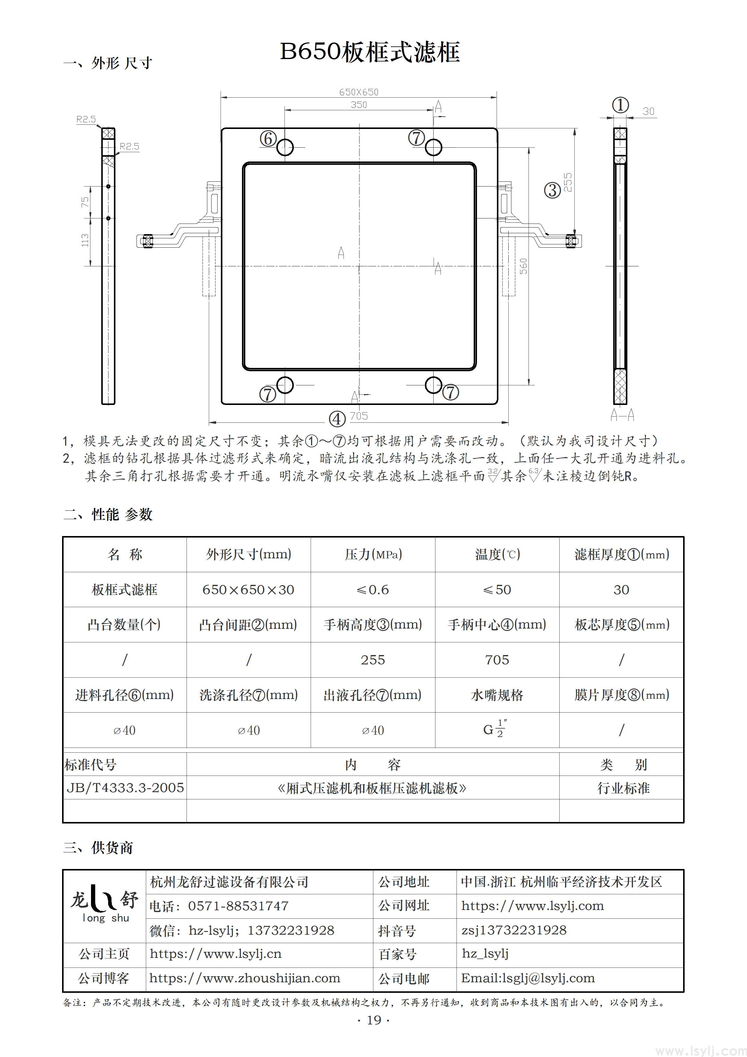
一、尺寸:此系列的板框尺寸有滤板尺寸通常为315mm×280mm、420mm×420mm、630mm×630mm、650mm×650mm等,属于小型板框式压滤机滤板滤框;
二、压紧方式:一般有手动螺杆型(S)和手动千斤顶型(J)以及液压三种。除了手动压紧方式外,部分机型可能采用液压压紧方式,提高压紧效率和稳定性。
三、性能参数:过滤压力一般在0.6-1.0MPa之间,压紧力相对B315型有所增加,可达50-80KN左右,使用温度同样可达100℃左右。压紧板行程210mm~300mm。
四、结构特点:滤板和滤框通常采用铸铁或塑料等材质制成,滤板表面的流道设计更加优化,有利于滤液的快速排出,滤框的壁厚相对较厚,以承受更高的压力。结构相对简单,滤框为中空结构,用于容纳滤饼,滤板表面有凸起或凹槽,以增加过滤面积和滤液流动通道。
滤板和滤框材质常为高强度聚丙烯或不锈钢,具有良好的耐腐蚀性和机械强度。滤板表面采用了更先进的纹理设计,进一步提高过滤效率,滤框的密封性能更好,可有效防止滤液泄漏。
小型板框式的滤板滤框的主要型号有:B315;B420;B650。这4个品种基本规格。具体参数如下:











板框式的滤室时有块平板滤板和一块中空滤框两部分组成,滤布固定在板框上的,是早期压滤机的主要形式,这个机型主要优点是换滤布很方便。但也有缺点,效率低、过滤效果差、滤板容易损坏;板框式的滤室结构为:由交替排列的滤板与滤框构成一组滤室。滤板的表面有沟槽,其凸出部位用以支撑滤布。滤框和滤板的边角上有通孔,组装后构成完整的通道,能通入悬浮液、洗涤水和引出滤液。板、框两侧各有把手支托在横梁上,由压紧装置压紧板、框。板、框之间的滤布起密封垫片的作用。由供料泵将悬浮液压入滤室,在滤布上形成滤渣,直至充满滤室。滤液穿过滤布并沿滤板沟槽流至板框边角通道,集中排出。过滤完毕,可通入清洗涤水洗涤滤渣。洗涤后,有时还通入压缩空气,除去剩余的洗涤液。随后打开压滤机卸除滤渣,清洗滤布,重新压紧板、框,开始下一工作循环。 板框压滤机 对于滤渣压缩性大或近于不可压缩的悬浮液适用。适合的悬浮液的固体颗粒浓度一般为以下,操作压力一般为.3~.6 兆帕,的可达3 兆帕或高。过滤面积可以随所用的板框数目增减。板框通常为正方形,滤框的内边长为 32~2 毫米,框厚为16~8 毫米,过滤面积为1~12 米2。板与框用手动螺旋、电动螺旋和液压等方式压紧。板和框用木材、铸铁、铸钢、不锈钢、聚和橡胶等材料制造。
声明一下:本网站上展示的产品仅用于工业上的污水固、液分离,由于产品的专业性和专用性,每件商品的具体性能和使用方法均不尽相同,页面上的描述仅供参考,并不适用于每个具体商品,您在决定购买之前,务必事前(老板电话13732231928)沟通。谢谢您的理解和支持!(本站仅用于产品展示,不接受线上交易)。







