板框式压滤机由交替排列的滤板和滤框构成一组滤室。滤框和滤板的边角上有通孔,组装后构成完整的通道,能通入悬浮液、洗涤水和引出滤液。工作时,滤板和滤框被压紧,形成密封的过滤室,料浆在压力作用下进入滤框,固体颗粒被滤布截留形成滤饼,液体则透过滤布经滤板排出。小型的板框式尺寸从B315到B650不等,常用的板框尺寸是从B800到B1000不等,再上去的尺寸,就不适宜做成板框结构了,必定一板一框的结构没有厢式那样的厚度,不能抗更高的压力,下面我们就来说说从B800到B1000型的板框式滤板和滤框。
想了解更多精彩内容,快来关注隔膜压滤机厢式板框式压滤机厂家龙舒
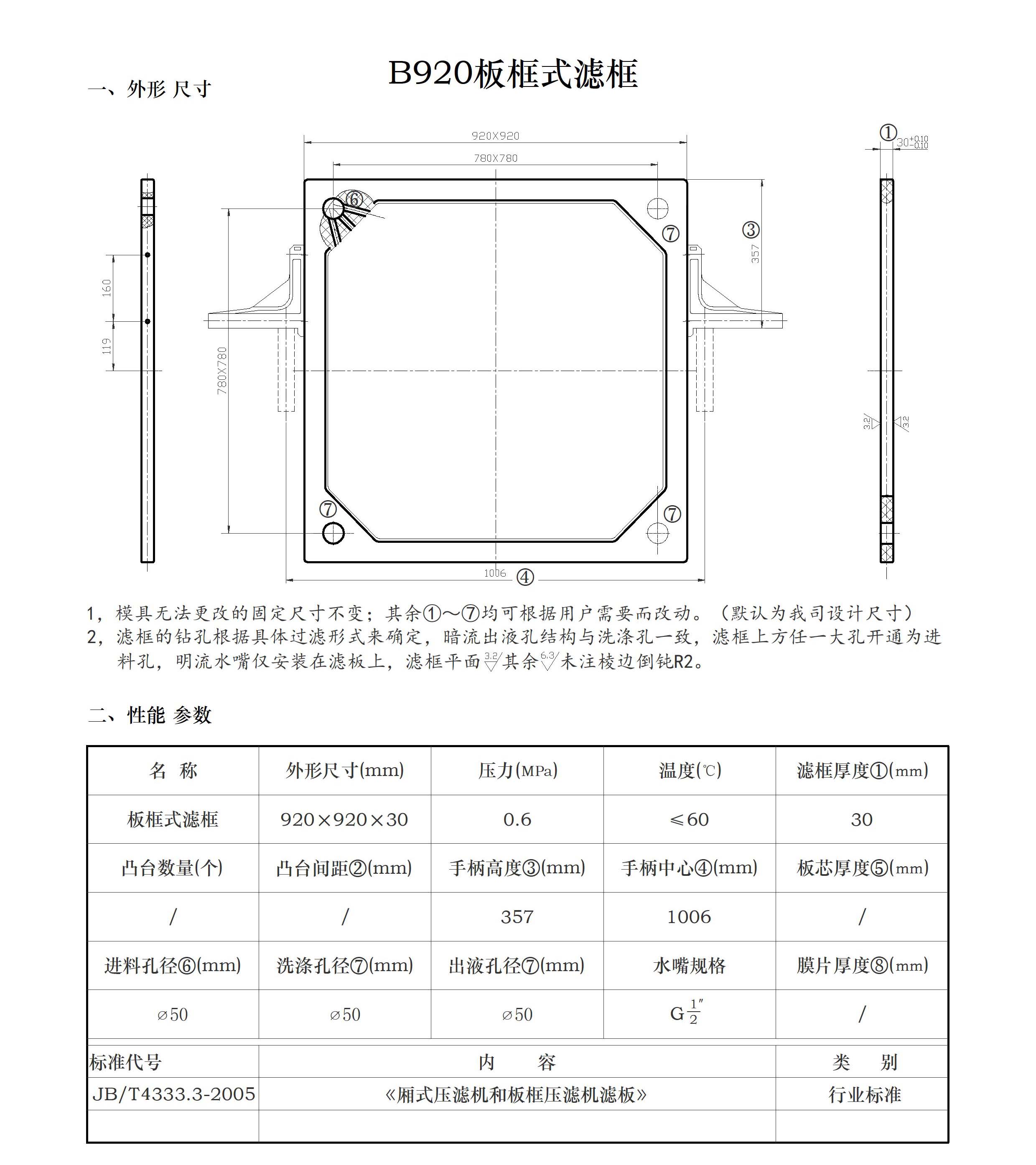
一、规格尺寸
B800型:滤板和滤框的外框尺寸通常为800mm×800mm。过滤面积一般在10- 80平方米之间(不同厂家可能有所差异)。例如,50/800规格的板框压滤机,过滤面积为50平方米,滤室总容量为748L,滤板厚度30mm,滤框数量50个,外形尺寸约为3990×1270×1300mm。
B920型:滤板和滤框的外框尺寸通常为920mm×920mm。过滤面积一般在20- 100平方米之间(不同厂家可能有所差异)。例如,50/920规格的板框压滤机,过滤面积为50平方米,滤室总容量为748L,滤板厚度30mm,滤框数量40个,外形尺寸约为4250×1300×1350mm。
B1000型:滤板和滤框外框尺寸为1000mm×1000mm。如120/1000规格的压滤机,过滤面积120平方米,滤室总容量1816L,滤板厚度30mm,滤框数量72个,外形尺寸约为6140×1400×1400mm。










二、材质特点
滤板:常见材质有增强聚丙烯、铸铁、不锈钢、橡胶等。增强聚丙烯滤板具有强度高、重量轻、耐酸碱腐蚀性强、耐高温等特点;铸铁和不锈钢滤板强度高,可承受较高压力和温度,适用于一些特殊工况;橡胶滤板密封性能好,耐磨、耐高压,且具有一定弹性。
滤框:材质与滤板类似,多采用聚丙烯、铸铁等。聚丙烯滤框重量轻、耐腐蚀;铸铁滤框强度高、耐用,能承受较大的压力,适用于处理粘度大、温度高的物料。
三、性能特点
过滤效果好:通过合理设计滤板表面的导流槽和滤框结构,使物料在过滤过程中能够均匀分布,提高过滤效果,能有效实现固液分离,得到较高质量的滤液和含固率较高的滤饼。
适用范围广:对于滤渣压缩性大或近于不可压缩的悬浮液都能适用,适合的悬浮液固体颗粒浓度一般为10%以下,操作压力一般为0.3 - 1.6兆帕,特殊的可达3兆帕或更高。可用于化工、石油、医药、食品、印染、皮革、冶炼、纺织等多个行业的固液分离过程。




四、护保养要点
定期检查:检查滤板和滤框的密封面是否有损坏、变形,滤布是否有破损,如有问题及时更换,以避免漏料等问题影响过滤效果。
清洁保养:在每次过滤工作结束后,应及时对滤板和滤框进行清洗,防止物料残留堵塞通道或腐蚀滤板、滤框。
压力控制:严格按照设备的工作压力范围进行操作,避免因进料压力过高导致滤板损坏。
滤布维护:正确安装和使用滤布,避免滤布在使用过程中出现折叠、划破等情况,以延长滤布和滤板的使用寿命。
板框式的滤室时有块平板滤板和一块中空滤框两部分组成,滤布固定在板框上的,是早期压滤机的主要形式,这个机型主要优点是更换滤布很方便。但也有缺点,效率低、过滤效果差、滤板容易损坏;
本公司提供国内大部分的厂家可以统配的各种压滤机易损件,易耗配件,有滤板,滤布,液压元件,油缸总成,水嘴,受柄,以及及各种规格的密封圈橡胶条,滤布夹头;只要客户有需要,根据您提供的样品,我公司都能及时提供现货!欢迎新老客户光临!

声明一下:本网站上展示的产品仅用于工业上的污水固、液分离,由于产品的专业性和专用性,每件商品的具体性能和使用方法均不尽相同,页面上的描述仅供参考,并不适用于每个具体商品,您在决定购买之前,务必事前(老板电话13732231928)沟通。谢谢您的理解和支持!(本站仅用于产品展示,不接受线上交易)。









