

XAMY/Z(G)2000厢式压滤机,厢式、板框式压滤机是悬浮液固、液两相分离的理想设备。该系列压滤机为液压压紧,自动保压型。滤板尺寸500×500 至2000×2000,为增加工作效率,改善进料状况。大型压滤机除常规的止推板处装有进、出液管接法兰外,还在压紧板处备有相应的接口。用户可分别从两端接口进料、出液、进洗涤水等,改善滤渣质量。该系列压滤机主要规格有: XAMY/Z(G)700~1190/2000 -UB K该系列压滤机,大型的为机、电、液分体式,大型的为机、电、液一体式整机的运作可手动操作,亦可根据用户要求:由PLC 程序控制器实现循环自动操作。根据用户的意愿,机器还可配装滤板移动装置、滤布悬挂装置或滤板高悬梁悬挂装置。自动完成逐块拉板和卸渣工作。压滤机有明流、暗流之分,它们各自又有滤饼的可洗式和不可洗式。如需获得略干的滤饼,可向压滤机通入干燥的压缩空气吹压,将滤饼中残余的部分水分再度排出。想进一步降低滤饼的含水率,可选购带隔膜压榨的压滤机。隔膜压榨压滤机从膜片结构上分为:组合式隔膜片压榨压滤机、一体式隔膜板压榨压滤机、嵌入式隔膜片压榨压滤机;从膜片材质和压榨压力上分为:橡胶隔膜(耐油或耐酸)和高压PP 隔膜(焊接式或嵌入组合式)。根据您的过滤和工艺要求而定,如贵单位需要这方面的技术服务和支持,请与本公司联系。如需在高温状况下进行悬浮液分离时,您可选用金属滤板的压滤机。设备密封性好,拉板器运行部分均有护罩,既安全又防尘防腐。机器液压压紧,自动保压,操作维护方便,运行安全稳定等特点。被广泛用于化工、石油、医药、食品、印染、皮革、冶炼、纺织等企业的生产及污水处理。

大型洗沙洗煤选矿压滤机XGZ700 - 1190/2000隔膜压滤机系列是一种高效的固液分离设备,以下是其相关介绍:
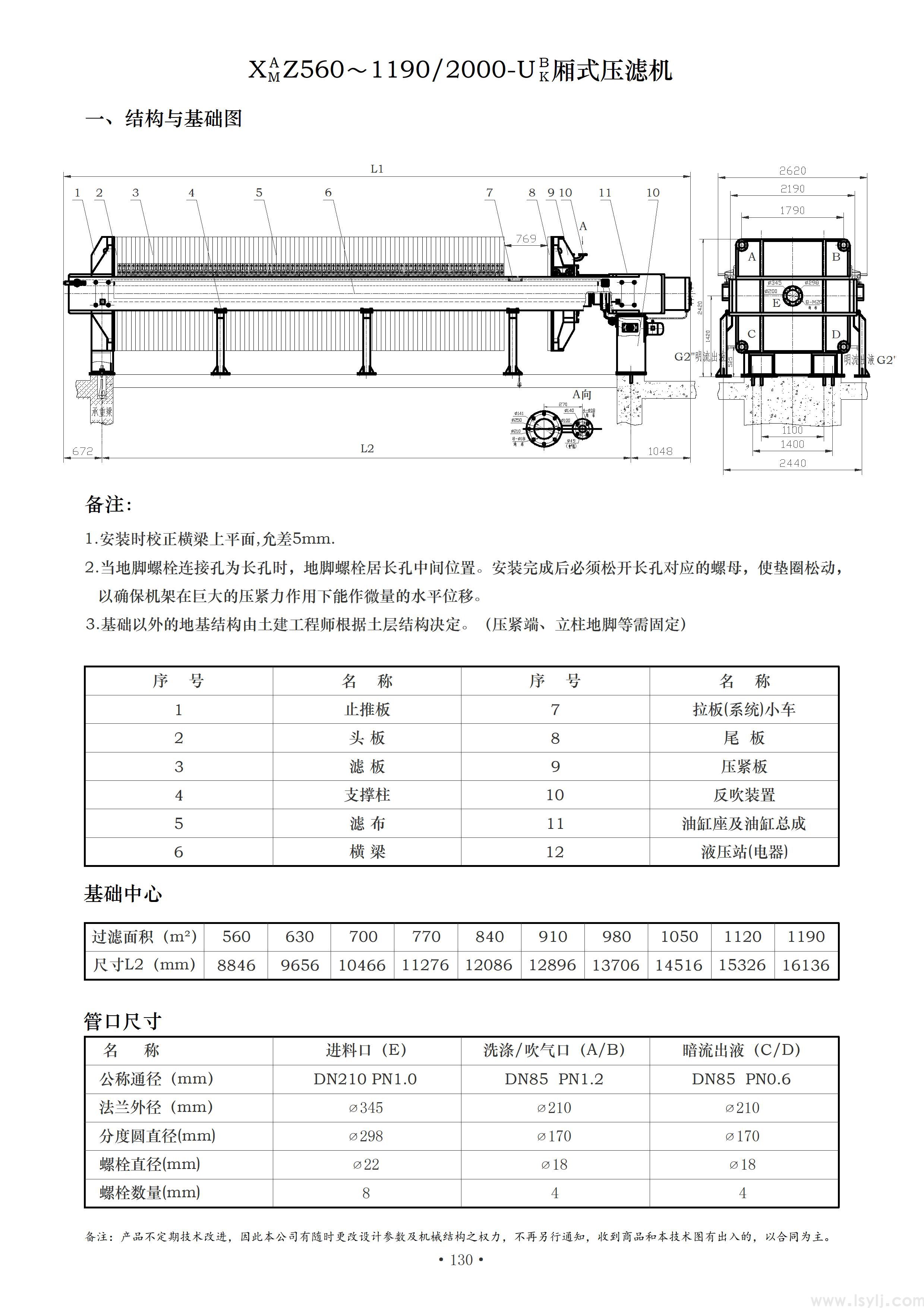
一、结构特点
滤板:滤板尺寸为2000×2000mm,采用增强聚丙烯等高强度材料模压而成,具有耐酸碱、耐腐蚀、抗疲劳、抗老化等特点,能够承受较高的压力,确保在长时间使用过程中的稳定性和可靠性。
隔膜板:该系列压滤机配备了隔膜,材质通常有橡胶、TPE(热塑性弹性体)等。隔膜位于滤板与滤布之间,在过滤结束后,可通过向隔膜内注入高压流体或气体介质,使隔膜鼓起压迫滤饼,实现滤饼的进一步脱水。
机架:大型的为机、电、液分体式,特大型的为机、电、液一体式。机架采用高强度钢焊接结构并进行特别防腐处理,强度高且结构稳定,为压紧装置和滤板等部件提供稳固的基础,确保设备在运行过程中的稳定性。
自动化系统:整机的运作可手动操作,亦可根据用户要求由PLC程序控制器实现循环自动操作。还可配装滤板移动装置、滤布悬挂装置或滤板高悬梁悬挂装置,自动完成逐块拉板和卸渣工作,自动化程度高,可大大降低工人的劳动强度。
二、工作原理
正压强压脱水:在强机械力作用下,滤板紧密排列形成滤室,过滤物料在强大正压下被送入滤室,固体部分被滤布截留形成滤饼,液体部分透过滤布排出滤室,实现固液分离。
隔膜压榨脱水:入料结束后,高压流体或气体介质注入隔膜板中,隔膜鼓起压迫滤饼,进一步挤出滤饼中的水分,提高脱水效果。
风吹脱水(可选):压缩空气进入滤室,透过滤饼携带液体水分从滤饼另一侧透过滤布排出滤室,实现滤饼的进一步脱水,可根据需要设置单、双面脱水。
三、性能参数
以XAMY/Z(G)700 - 1190/2000型号为例,过滤面积从700 - 1190平方米不等,滤室容量相应地从12250 - 20825升,滤板厚度为80mm,滤室数量为100 - 170个,滤饼厚度35mm,整机外形尺寸随过滤面积增大而增大,功率为3kw,料压≤1.6Mpa,整机质量在39880 - 57710kg之间。


四、优点
过滤效果好:通过隔膜压榨和可选的风吹脱水等工艺,能有效降低滤饼的含水率,提高固液分离效果,满足洗沙、洗煤、选矿等行业对产品质量的要求。
处理能力大:滤板尺寸大,过滤面积大,能够处理大量的物料,适用于大型洗沙、洗煤、选矿厂等的生产需求。
自动化程度高:可实现自动进料、自动压榨、自动拉板卸渣等功能,减少了人工操作,提高了生产效率,降低了劳动强度和人工成本。
运行稳定可靠:采用液压压紧、自动保压系统,设备密封性好,拉板器运行部分均有护罩,既安全又防尘防腐,确保设备能够长时间稳定运行。
适应性强:隔膜压滤机适用于各种不同性质的物料,对于洗沙、洗煤、选矿等行业中不同粒度、不同粘度的物料都有较好的处理效果,并且可以根据物料的特性和工艺要求,调整过滤压力、压榨压力、过滤时间等参数。 ### 应用领域 该系列隔膜压滤机广泛应用于洗沙、洗煤、选矿等行业,用于处理洗沙废水、煤泥水以及各种矿浆等悬浮液的固液分离,实现水资源的循环利用和固体物料的回收再利用,有助于提高生产效率、降低生产成本、减少环境污染。
声明一下:本网站上展示的产品仅用于工业上的污水固、液分离,由于产品的专业性和专用性,每件商品的具体性能和使用方法均不尽相同,页面上的描述仅供参考,并不适用于每个具体商品,您在决定购买之前,务必事前(老板电话13732231928)沟通。谢谢您的理解和支持!(本站仅用于产品展示,不接受线上交易)。










