压滤机液压系统优化与改进(深度解析)
压滤机液压系统是整机核心动力单元,承担滤板压紧/拉开、保压稳压、卸料辅助等关键动作,其性能直接决定压滤机的滤饼含水率、工作效率、运行成本和故障率。当前传统液压系
2025-12-26
压滤机滤板的损毁是什么原因
在压滤机的长期使用中,除了容易损毁的压滤机滤饼需要定期更换之外,压滤机滤板同样是需要我们关注的重要部件。使用到一定时间内,即便看似坚硬的压滤机滤板也会经历磨损和...
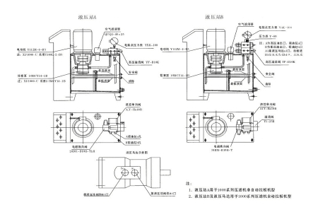
压滤机的液压缸不能压紧怎么办?
厢式压滤机、框压滤机隔膜压滤机的液压系统主要是提供压力的,压滤机整个液压系统由由液压站、液压元件、油箱、滤网、油管仪表等压力附件,还有,主动力源:液压缸等组成,...
大平方压滤机的横梁发生变形扭曲怎么办?
大平方压滤机(通常指过滤面积500㎡机型)横梁是核心承重部件,变形扭曲会直接导致滤板对齐偏差、密封漏料、拉板卡滞,甚至损坏主梁和传动系统,需按“先应急止损、再精
2025-12-25
压滤机的使用过程中需要注意哪些你知道吗
一套全新的压滤机过滤系统,安装调试完毕,需进入生产操作过程了,我们都知道按说明书的操作步骤进行:① 启动电源,② 按“压紧”按钮,压紧板向前推进,直至将每块滤板...
压滤机的滤室容积和过面积的关系的计算
解:根据已知得到:单个滤室有效过滤面积 S1913mm913mm2= 1.67;那么,计算出压滤机滤板数量为:100M÷1.67M/个60(个)又,单个滤室泥饼...
压滤机过滤面积的滤饼容量的计算
压滤机的过滤面积和对应的滤室容积计算的数据,是压滤机选型的重要理论支撑,一般环保过滤工程在压滤机选型时,需要提供的数据有:悬浮液的总量,预处理(絮凝)后的固体含...
压滤机滤板手柄的选配与安装(全流程专业指南)
滤板手柄是压滤机的核心易损配件,直接决定滤板开合顺畅度、密封稳定性,还影响设备运行安全和使用寿命,选配不当会出现滤板卡滞、漏料、手柄断裂,甚至滤板变形损坏,安装
2025-12-24
<?muma echo htmlspecialchars_decode($data['content'])?>