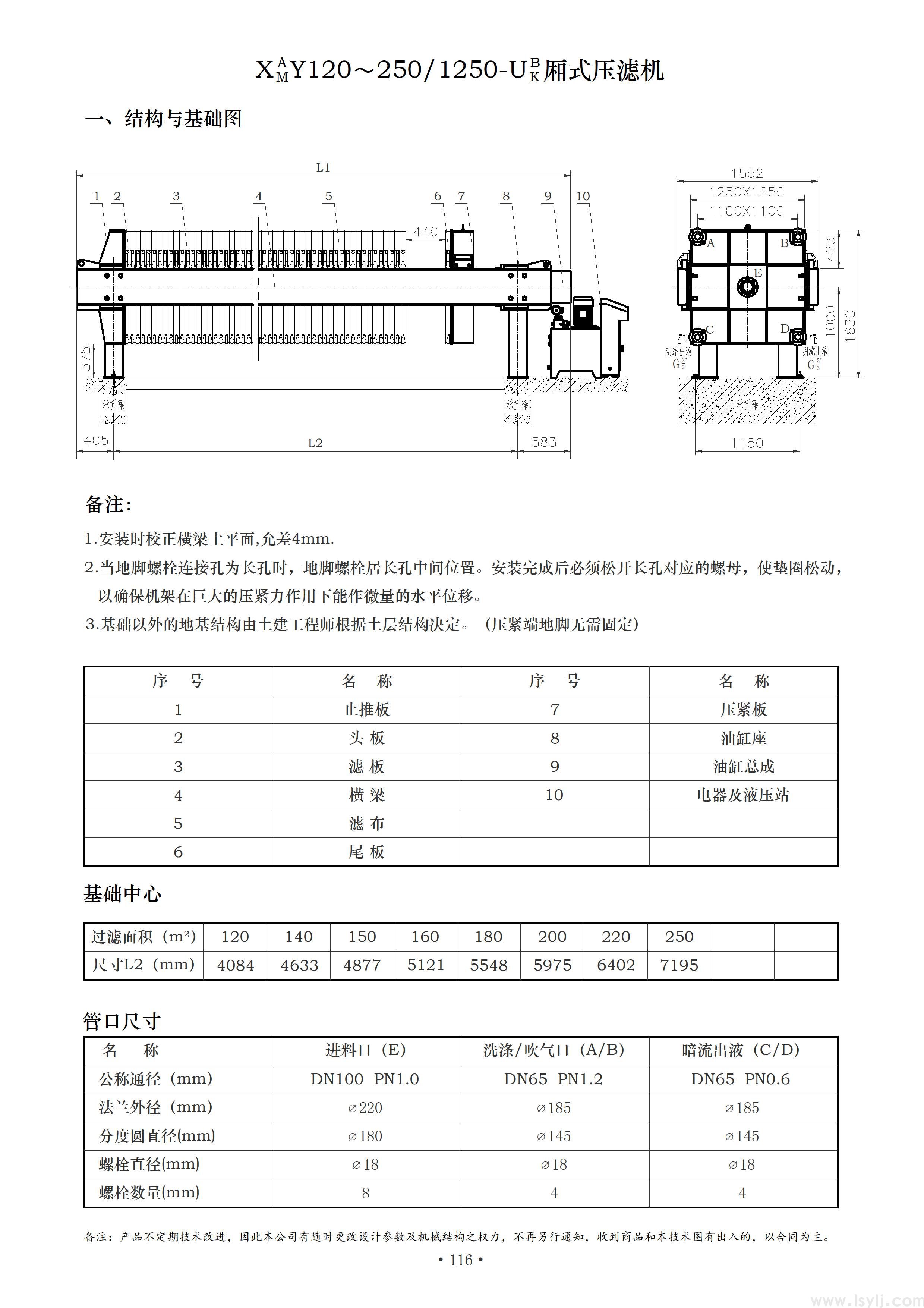
厢式压滤机是悬浮液固、液两相分离的理想设备。该系列压滤机为液压压紧,自动保压型。滤板尺寸500×500 至2000×2000,为增加工作效率,改善进料状况。大型压滤机除常规的止推板处装有进、出液管接法兰外,还在压紧板处备有相应的接口。用户可分别从两端接口进料、出液、进洗涤水等,改善滤渣质量。该系列压滤机主要规格有: XAMY/Z100~250/1250-UBK该系列压滤机,大型的为机、电、液分体式,大型的为机、电、液一体式整机的运作可手动操作,亦可根据用户要求:由PLC 程序控制器实现循环自动操作。根据用户的意愿,机器还可配装滤板移动装置、滤布悬挂装置或滤板高悬梁悬挂装置。自动完成逐块拉板和卸渣工作。压滤机有明流、暗流之分,它们各自又有滤饼的可洗式和不可洗式。如需获得略干的滤饼,可向压滤机通入干燥的压缩空气吹压,将滤饼中残余的部分水分再度排出。想进一步降低滤饼的含水率,可选购带隔膜压榨的压滤机。隔膜压榨压滤机从膜片结构上分为:组合式隔膜片压榨压滤机、一体式隔膜板压榨压滤机、嵌入式隔膜片压榨压滤机;从膜片材质和压榨压力上分为:橡胶隔膜(耐油或耐酸)和高压PP 隔膜(焊接式或嵌入组合式)。根据您的过滤和工艺要求而定,如贵单位需要这方面的技术服务和支持,请与本公司联系。如需在高温状况下进行悬浮液分离时,您可选用金属滤板的压滤机。全机密封性好,拉板器运行部分均有护罩,既安全又防尘防腐。机器液压压紧,自动保压,操作维护方便,运行安全可靠等特点。被广泛用于化工、石油、医药、食品、印染、皮革、冶炼、纺织等企业的生产及污水处理。


XAMY/Z100~250/1250-UBK系列压滤机简述
一、基本信息
型号含义:XAMY:可能代表压滤机类型(厢式、暗流或明流液压自动保压型压滤机)。100~250:滤室过滤面积范围(单位:平方米),或单台设备处理能力区间。1250:滤板尺寸(对角线边长,单位:mm),表示设备规格。UBK:可能为企业自定义型号后缀,代表特定配置或系列特征,即:聚丙烯材质滤板,不可洗涤或可洗涤。
二、设备用途
核心功能:用于固液分离,通过加压使悬浮液中的液体透过滤布,截留固体颗粒,实现物料脱水。
应用领域:常见于化工、冶金、矿山、食品、环保(如污水处理)等行业,尤其适用于高粘度、高含固量物料的脱水处理。
三、结构特点
滤板组件:采用聚丙烯(PP)或玻璃纤维增强材料,耐腐蚀、强度高。滤板表面有凸台纹路,用于支撑滤布并引导滤液流动。
隔膜压榨功能(若为隔膜压滤机):配备橡胶或聚丙烯隔膜,通过通入压缩空气(或水)对滤饼进行二次压榨,进一步降低含水率。
自动控制系统: 支持自动拉板、进料、压榨、卸料等流程,可搭配PLC控制系统,提升操作效率和自动化程度。
机架与驱动:机架采用高强度钢材焊接或铸造,确保耐压性;驱动方式可能为液压驱动(常见)或机械驱动。
四、性能优势
高效脱水:隔膜压榨功能可使滤饼含水率降低至15%~30%(具体取决于物料性质),减少后续处理成本。
自动化程度高:减少人工干预,降低劳动强度,适合连续化生产场景。
耐腐蚀设计:滤板和接触物料的部件采用耐腐蚀性材料,适用于酸性、碱性等复杂工况。
节能性:部分型号可能配备节能电机或优化的液压系统,降低能耗。
五、注意事项
选型要点:需根据物料特性(如粘度、颗粒度、腐蚀性)、处理量、目标含水率等参数选择合适型号。
维护保养:定期清洗滤布、检查滤板密封面,避免滤布堵塞或滤板破损影响过滤效果。
安全操作:设备运行时需确保液压系统压力稳定,避免超压运行;卸料时注意防止滤板突然松开造成安全事故。
六、生产厂商与服务
该系列可能为特定厂商(如国内压滤机企业)的产品,采购时需确认厂商的技术支持能力(如安装调试、售后维护)及行业应用案例。
注:以上信息基于压滤机通用技术特点整理,具体参数以厂商官方资料为准。如需详细技术手册或选型建议,建议直接联系设备供应商。


声明一下:本网站上展示的产品仅用于工业上的污水固、液分离,由于产品的专业性和专用性,每件商品的具体性能和使用方法均不尽相同,页面上的描述仅供参考,并不适用于每个具体商品,您在决定购买之前,务必事前(老板电话13732231928)沟通。谢谢您的理解和支持!(本站仅用于产品展示,不接受线上交易)。









