该系列压滤机为液压压紧,自动保压型。滤板尺寸1600×1600,为提高工作效率,改善进料状况。特大型压滤机除常规的止推板处装有进、出液管接法兰外,还在压紧板处备有相应的接口。用户可分别从两端接口进料、出液、进洗涤水等,改善滤渣质量。该系列压滤机主要规格有: XAMY/Z(G)200~600/1600-UBK;该系列压滤机,大型的为机、电、液分体式,特大型的为机、电、液一体式整机的运作可手动操作,亦可根据用户要求:由PLC 程序控制器实现全程循环自动操作。根据用户的意愿,机器还可配装滤板移动装置、滤布悬挂装置或滤板高悬梁悬挂装置。自动完成逐块拉板和卸渣工作。压滤机有明流、暗流之分,它们各自又有滤饼的可洗式和不可洗式。如需获得略干的滤饼,可向压滤机通入干燥的压缩空气吹压,将滤饼中残余的部分水分再度排出。想进一步降低滤饼的含水率,可选购带隔膜压榨的压滤机。隔膜压榨压滤机从膜片结构上分为:组合式隔膜片压榨压滤机、一体式隔膜板压榨压滤机、嵌入式隔膜片压榨压滤机;从膜片材质和压榨压力上分为:橡胶隔膜(耐油或耐酸)和高压PP 隔膜(焊接式或嵌入组合式)。根据您的过滤和工艺要求而定,如贵单位需要这方面的技术服务和支持,请与本公司联系。如需在高温状况下进行悬浮液分离时,您可选用金属滤板的压滤机。全机密封性好,拉板器运行部分均有护罩,既安全又防尘防腐。机器液压压紧,自动保压,操作维护方便,运行安全可靠等特点。被广泛用于化工、石油、医药、食品、印染、皮革、冶炼、纺织等企业的生产及污水处理。厢式压滤机是悬浮液固、液两相分离的理想设备。该系列压滤机为液压压紧,自动保压型。滤板尺寸500×500 至2000×2000,为提高工作效率,改善进料状况。特大型压滤机除常规的止推板处装有进、出液管接法兰外,还在压紧板处备有相应的接口。用户可分别从两端接口进料、出液、进洗涤水等,改善滤渣质量。


XAMY/Z(G)200~600/1600-UBK系列压滤机属于厢式或隔膜式压滤机,以下是其相关介绍:
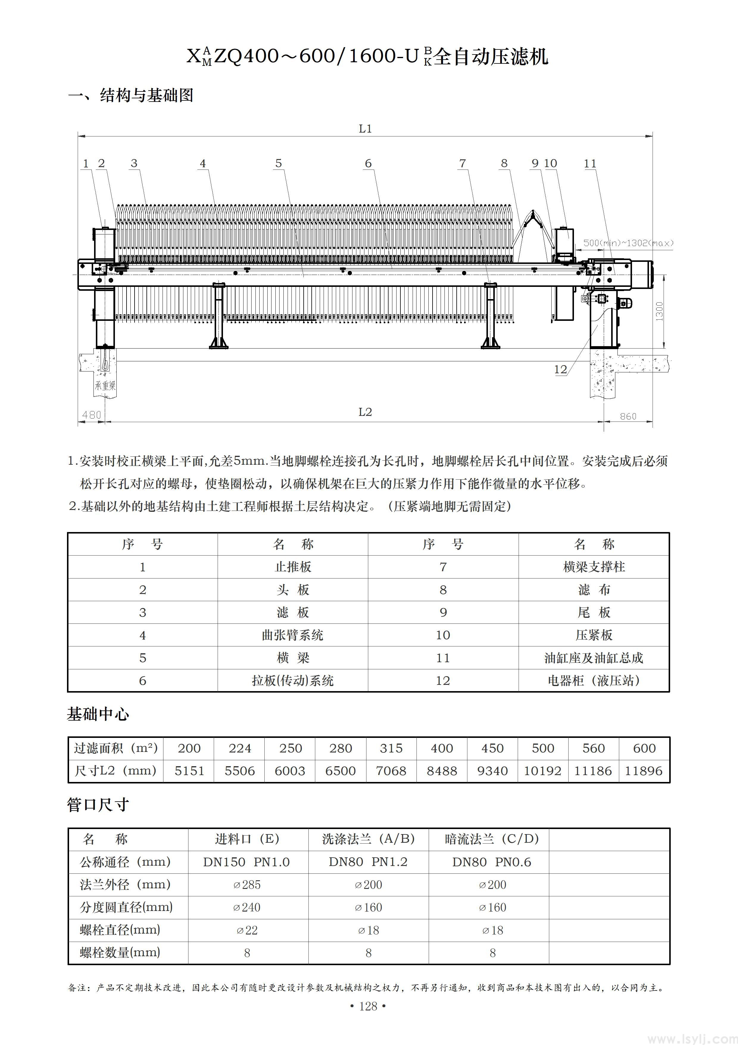
一、型号含义:“X”表示厢式;“A”可能代表暗流;“M”明流;“Y”表示液压压紧;“Z”表示自动压滤机;“G”表示隔膜(如果是隔膜压滤机的话);“200~600”表示过滤面积范围(平方米);“1600”表示滤板的尺寸(边长为1600mm);“UBK”中“U”代表滤板材质是聚丙烯,“B”为不可洗式,“K”为可洗式(具体含义可能因厂家略有差异)。
二、结构特点:大型的为机、电、液分体式,特大型的为机、电、液一体式。滤板尺寸为1600×1600mm,滤板材质为聚丙烯。全机密封性好,拉板器运行部分均有护罩,既安全又防尘防腐。还可根据用户要求配装滤板移动装置、滤布悬挂装置或滤板高悬梁悬挂装置。
三、工作原理:由滤板排列组成滤室,滤板两侧凹进,每两块滤板组合成一厢形滤室。过滤时,进料泵将物料从进料管压入滤室,固体颗粒被滤布截留在滤室内形成滤饼,液体则通过滤布顺着滤板和压榨隔膜的齿形槽进入出液通道排出机外。若是隔膜压滤机,过滤完毕后,向压榨腔输送压缩空气或高压液体,使隔膜鼓起对滤饼进行压榨,进一步降低滤饼含水率,然后松开压紧板,卸料。
四、控制方式:整机的运作可手动操作,亦可根据用户要求由PLC程序控制器实现全程循环自动操作,实现自动压紧、过滤、穿流、压榨、松开、拉板等过程。
五、应用领域:适用于化工、石油、纺织、轻工、制药、染料、冶金、选矿、食品、电镀、污水处理等多种行业的固液分离过程,可用于分离低浓度悬浮液,也能处理粘度较高或接近饱和状态的悬浮液。
六、性能特点:该系列压滤机为液压压紧,自动保压型,操作维护方便,运行安全可靠。大型压滤机除常规的止推板处装有进、出液管接法兰外,还在压紧板处备有相应的接口,用户可分别从两端接口进料、出液、进洗涤水等,改善滤渣质量。
声明一下:本网站上展示的产品仅用于工业上的污水固、液分离,由于产品的专业性和专用性,每件商品的具体性能和使用方法均不尽相同,页面上的描述仅供参考,并不适用于每个具体商品,您在决定购买之前,务必事前(老板电话13732231928)沟通。谢谢您的理解和支持!(本站仅用于产品展示,不接受线上交易)。









