压滤机滤板在整个机械设备中起到很重要的作用,是压滤机过滤介质的主要组成部分。那么就是发挥了怎么样的作用呢?我们今天就来说明。说到压滤机滤板作用,首先就是增加滤室壁的面积,从而更好的增加了滤布与混合液的接触面积,达增加压滤机的过滤效果。对于压滤机滤室结构有了解的人知道,滤板将滤室分割成一个个的滤腔,滤布就依附在了滤板上,增加了滤室壁的同时就增加了滤布有效面积,达增大过滤效率目的。其次就是建立有效的空间,储存滤饼的作用。压滤机滤板两面是凹陷的,这样两块合起中间的空间就是用来储存被滤布拦截下来的滤渣,并且在滤板的底面还用盲点是为了在滤饼多时,增加滤板与滤饼之间的摩擦力,从而更好的支持滤饼的作用。在次就是对液压的施压,对滤饼挤压作用。压滤机的滤液要渗析出滤布来,就需要滤布两面区域形成有效的压力差,这样固液混合物之中的液体才能渗析出滤布,所以设备就需要对混合物施加一个外力,这时滤板就充当了具体的实施者,将液压器提供的压力传递到液体上。等到滤饼需要二次挤压干燥时,这时压滤机再次增加压力,也需要通过滤板来完成。这就是压滤机滤板发挥的三个作用,可见压滤机滤板的重要性。
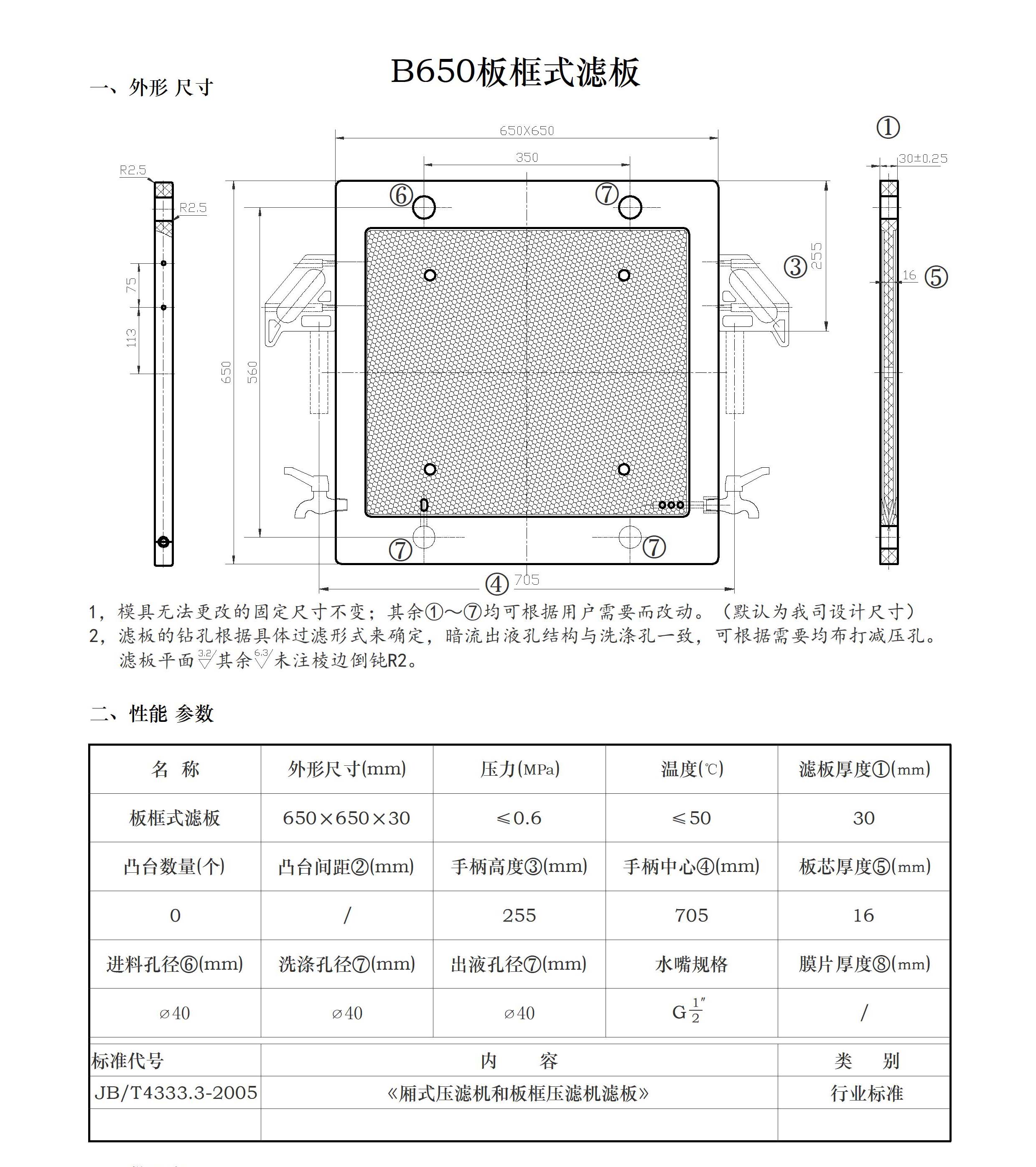
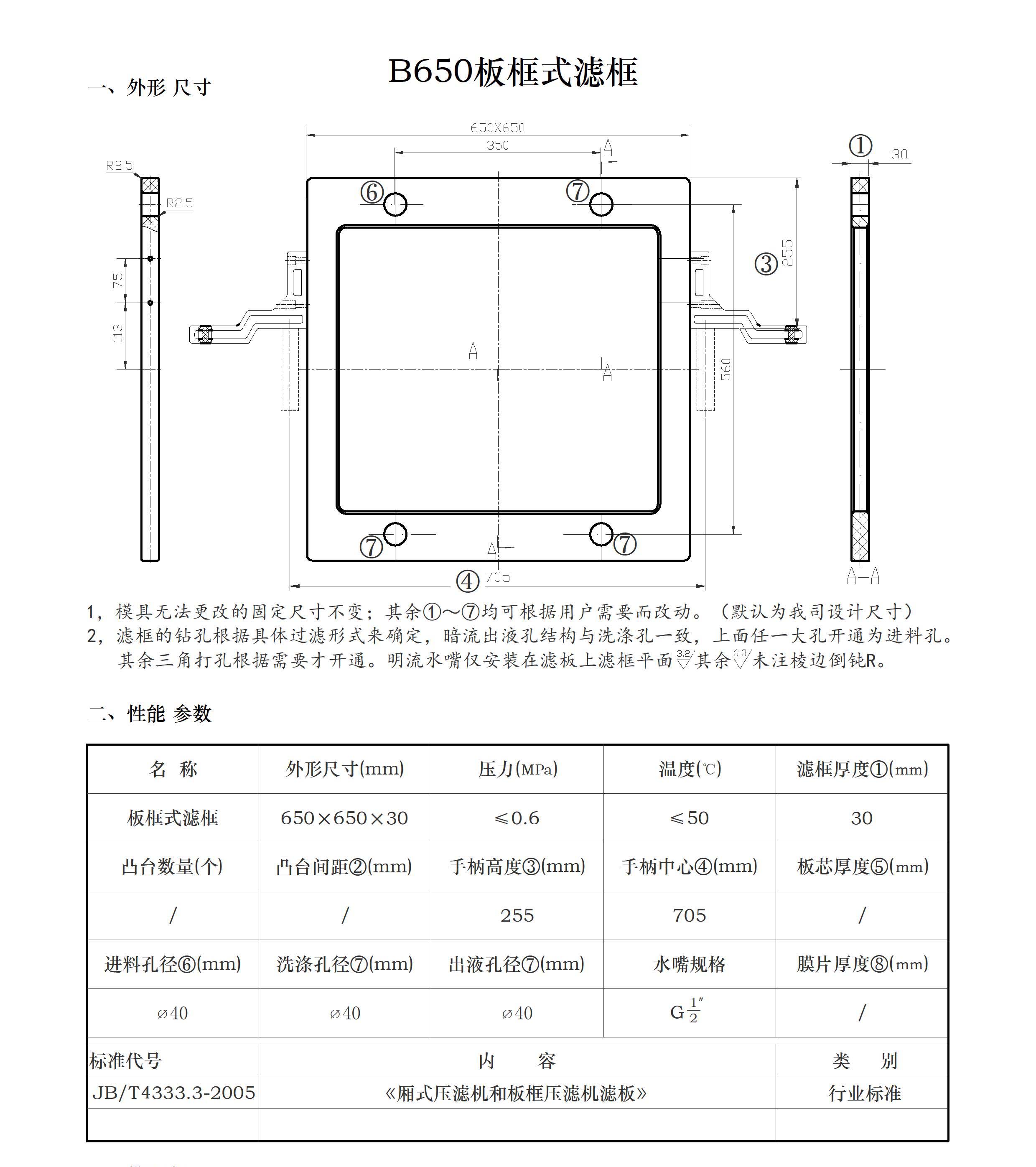
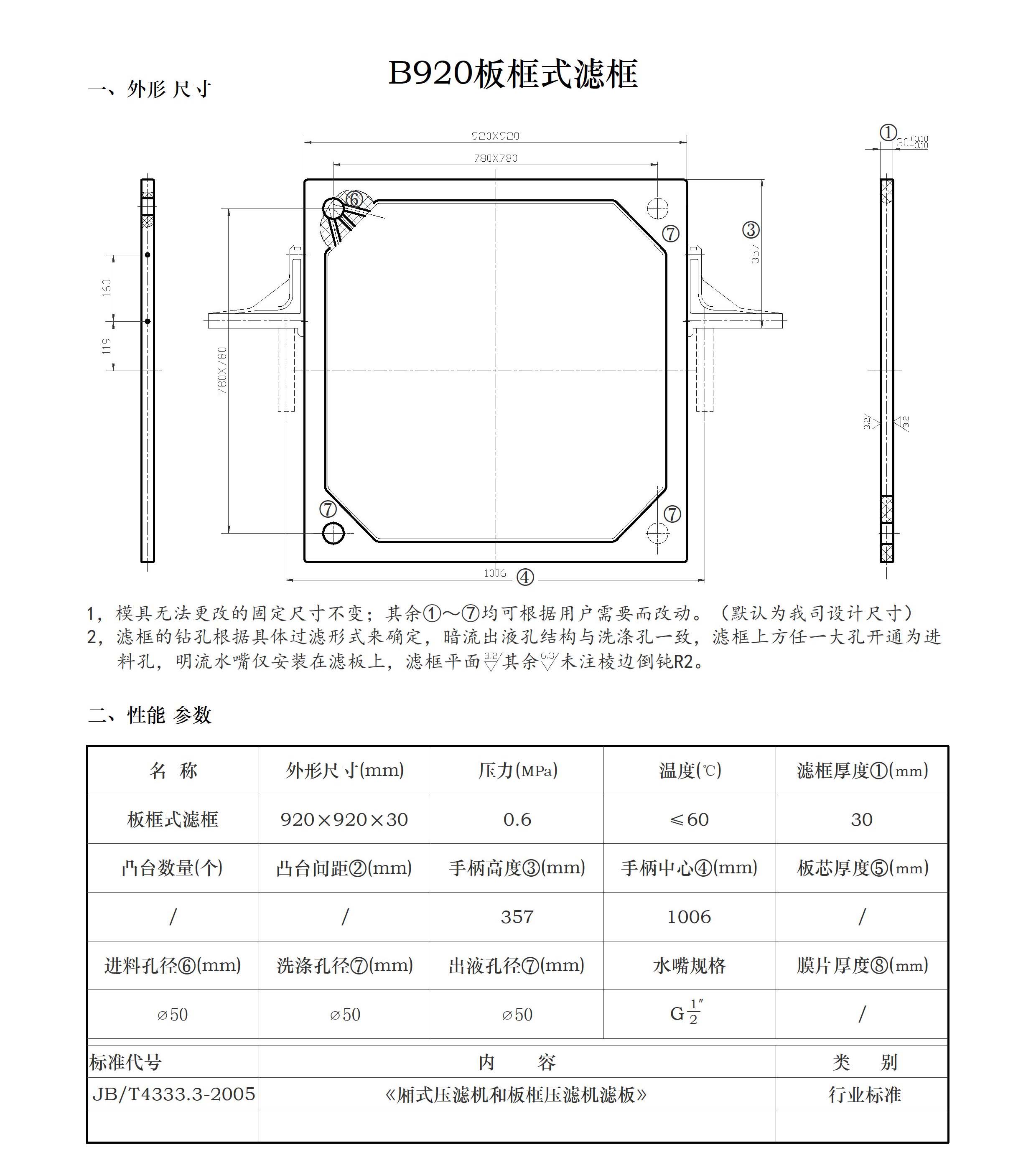
压滤机滤板从结构上分为:板框式和厢式两种,板框式滤板外形尺寸:从315mm×280mm到1000mm×1000mm不等;滤板厚度为30mm;滤框厚度为30mm(即滤饼截留仓);进料方式为角上进料;出液方式有明流暗流之分,洗涤方式有可洗不可洗之分。厢式滤板外形尺寸:从500mm×5000mm到2000mm×2000mm不等;滤板厚度为60mm;没有滤框,滤室是滤板两面集成;进料方式为中间进料方式为主,也有的根据工况要求不同采取的上进料,角进料,双头进料不等。出液方式有明流暗流之分,洗涤方式有可洗不可洗之分。中心进料孔从Φ30mm到Φ200mm;耐温≤100℃;耐酸碱PH值范围(1-14);压力≤1.0MPa;滤板的配方一般有2种:一种是:PP回用料添加增强玻纤,纳米母料以及其他填充料等,经配方调和回用而成,热熔、模压成型,绿色;另一种是:新PP原生料,添加增强玻纤、纳米母料、高密度聚乙烯等高韧性原料粒子,经调和配置而成,白色;绿色板一般用在环保、污水排放处理,电镀污水等一般工况环境下;白色滤板一般用于过滤工艺、工况要求比较高的环境下,如:陶土、食品、高岭土。矿物质提取、酿酒等等,白色滤板是原生料,避免产品在过滤过程中的出现二次污染。

我司的厢式主要有:X500、X630、X800、X920、X1000、X1250、X1600、X2000等8个基本规格;板框式的主要有:B315、B420、B630、B650、B800、B810、B870、B920、B1000等9个基本规格。本公司提供国内大部分厂家可以统配的各种压滤机易损件,易耗配件,有滤板,滤布,液压元件,油缸总成,水嘴,受柄,以及及各种规格的密封圈橡胶条,滤布夹头;只要客户有需要,根据您提供的样品,我公司能及时提供现货!欢迎新老客户光临!
压滤机滤板在整个机械设备中起到很重要的作用,是压滤机过滤介质的主要组成部分。那么就是发挥了怎么样的作用呢?我们今天就来说明。说到压滤机滤板作用,首先就是增加滤室壁的面积,从而更好的增加了滤布与混合液的接触面积,达增加压滤机的过滤效果。对于压滤机滤室结构有了解的人知道,滤板将滤室分割成一个个的滤腔,滤布就依附在了滤板上,增加了滤室壁的同时就增加了滤布有效面积,达增大过滤效率目的。其次就是建立有效的空间,储存滤饼的作用。压滤机滤板两面是凹陷的,这样两块合起中间的空间就是用来储存被滤布拦截下来的滤渣,并且在滤板的底面还用盲点是为了在滤饼多时,增加滤板与滤饼之间的摩擦力,从而更好的支持滤饼的作用。在次就是对液压的施压,对滤饼挤压作用。压滤机的滤液要渗析出滤布来,就需要滤布两面区域形成有效的压力差,这样固液混合物之中的液体才能渗析出滤布,所以设备就需要对混合物施加一个外力,这时滤板就充当了具体的实施者,将液压器提供的压力传递到液体上。等到滤饼需要二次挤压干燥时,这时压滤机再次增加压力,也需要通过滤板来完成。这就是压滤机滤板发挥的三个作用,可见压滤机滤板的重要性。
下面是常用的压滤机滤板图片:







































声明一下:本网站上展示的产品仅用于工业上的污水固、液分离,由于产品的专业性和专用性,每件商品的具体性能和使用方法均不尽相同,页面上的描述仅供参考,并不适用于每个具体商品,您在决定购买之前,务必事前(老板电话13732231928)沟通。谢谢您的理解和支持!(本站仅用于产品展示,不接受线上交易)。



































