

XY55/1000压滤机及配件(合同号:LS-20230508):
概述:液压压紧,自动保压、过滤面积:55平米2台;滤板尺寸1000×1000×60;滤板材质为:聚丙烯配方料模压成型;过滤温度≤80℃;压力≤0.6MPa;明流双出、可洗可吹。配套材质为丙纶750B;增强型定型工艺,强度大,截留固相细密。全线加强型;滤水性好。滤板材质为聚丙烯配方料模压成型;米灰白,过滤温度≤50℃;压力≤0.6MPa;明流双出可洗可吹。
运输和费用承担:供方整机及配件木托固定,负责物流托运,送货上门。需方负责卸货就位。(含税到港,不含进仓费)
付款方式:供需双方合同盖章签字之日起,预付50%,合同生效。发货前需方再支付总金额的 50 % 货款,供方将货送至需方指定港口,且开具税点为13%的增值税专用发票给需方。且所开具的发票要合法、有效、真实和具有关联性,否则造成需方的一切损失均由供方承担。
2025澳门原料网1688 销售部
2023年6月05日
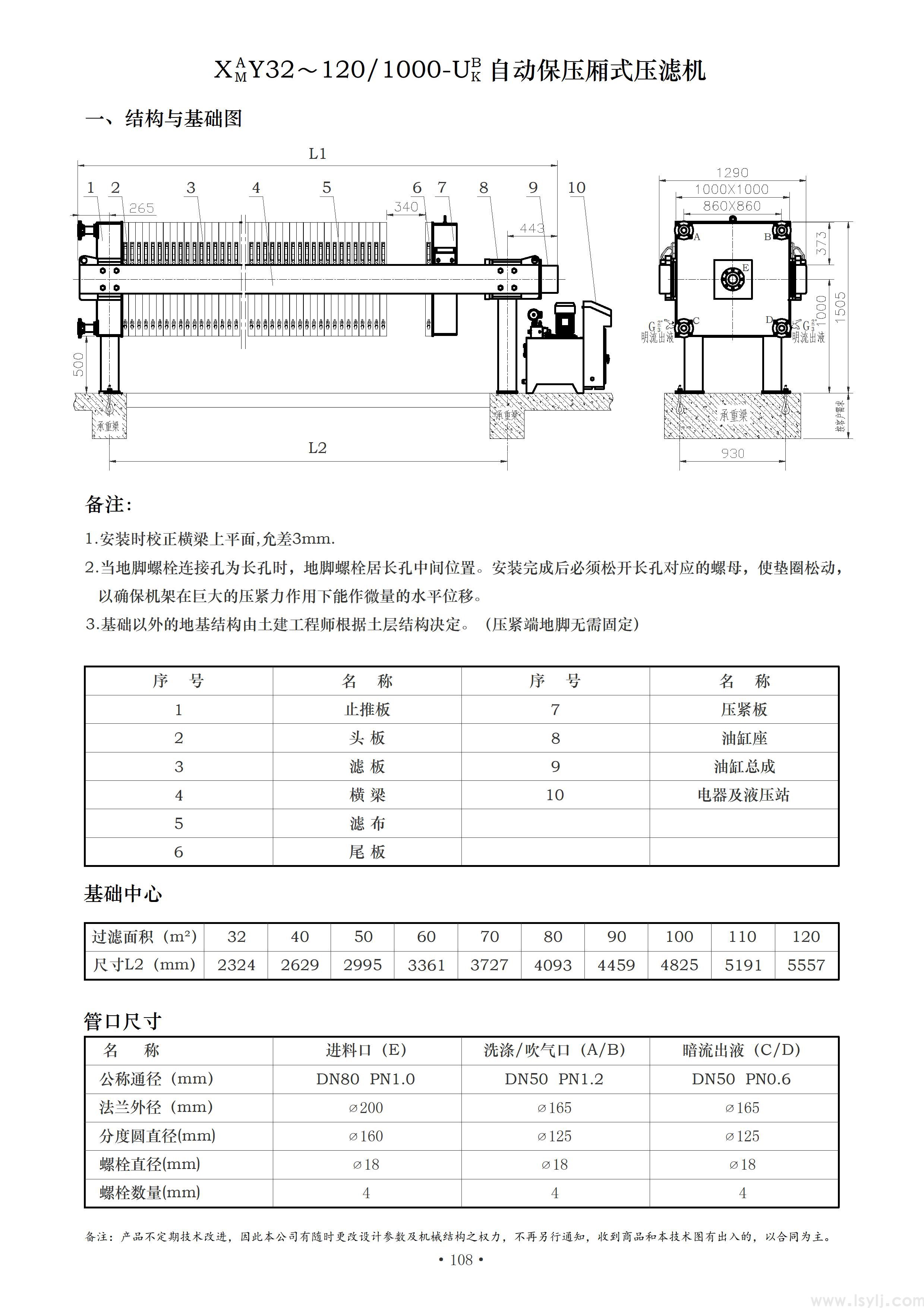
下面是XAY55/1000-UK型压滤机的选型概要:
XAY55/1000-UK型压滤机是一款针对性较强的厢式自动液压压滤设备,核心参数指向中等处理量场景。选型的关键在于匹配你的物料特性、处理量需求及生产环境,而非盲目追求型号参数。
一、型号解码:先搞懂“XAY55/1000-UK”代表什么? 压滤机型号通常暗藏核心参数,该型号的常见解读(不同厂家可能有差异,需结合手册确认)如下:
XAY :X(厢式)、A(自动)、Y(液压),明确设备类型:厢式结构(滤室由两块滤板组成,密封性好)、自动控制(减少人工)、液压驱动(压力稳定), 55表示过滤面积约55㎡ ,直接决定处理量,面积越大单次处理量越高(需结合过滤速度), 1000:指的是滤板的外形尺寸约1000mm×1000mm ×60mm.影响滤室容积(通常1000mm滤板的单块滤室容积约15-25L)和设备占地(长约3-4m,宽约1.5-2m);UK:指滤板材质为非金属,默认为PP(增强聚丙烯材质),K指过滤形式为可洗涤, 需确认是否适配本地电压(如230V/415V)、接口标准,避免安装障碍;
二、选型核心:3个必问自己的问题
1. 你要过滤的物料什么?压滤机能否高效工作,核心看是否适配物料特性,
腐蚀性:酸性(如电镀废水)、碱性(如化工废渣)物料需选耐酸碱滤板(如增强聚丙烯),中性物料可选普通聚丙烯或铸铁(成本更低但重)。
温度:物料温度>60℃时,普通聚丙烯滤板易变形,需选耐高温改性聚丙烯(耐100℃以上)或橡胶隔膜滤板。
粘度与颗粒:高粘度物料(如污泥)需更高工作压力(0.6-1.6MPa)和大滤室容积;含大颗粒(>5mm)需防堵塞,可选加厚滤布或特殊进料口设计。
2. 处理量够不够? 计算公式(简化版):每日处理量(m³)= 过滤面积(55㎡)× 过滤速度(m³/(㎡·h))× 每日工作时长(h); 过滤速度参考:清水类低粘度物料约0.1-0.3 m³/(㎡·h);污泥类高粘度约0.03-0.1 m³/(㎡·h)。
举例:55㎡过滤面积,处理市政污泥(速度0.05 m³/(㎡·h)),每天工作8小时,每日处理量≈55×0.05×8=22 m³,可满足中小型污泥处理站需求。
3. 自动化需求高不高?“XAY”中的“Y(液压自动)”通常指液压压紧自动保压,可选自动拉板、自动卸料等,但不同厂家自动化程度差异大, 基础自动:仅自动拉板,卸料需人工(适合小批量、间歇生产)。全自动化:自动拉板+自动清洗滤布+自动卸料(适合连续生产,减少3-5个人工)。注意:高自动化会增加10%-30%成本,但长期可省人工费用。
三、避坑指南:选型时最容易犯的3个错
1. 只看过滤面积,忽略滤板尺寸:55㎡过滤面积若用800mm滤板(小尺寸),设备更紧凑但滤室容积小,处理高粘度物料易“堵料”;1000mm滤板更适合,但占地更大。
2. 高估工作压力:认为压力越高过滤越快?其实超过物料承受的压力(如滤饼压实后再增压无效),反而会损坏滤板(每块滤板成本约500-2000元)。
3. 忽略配套设备:压滤机需进料泵(扬程匹配工作压力)、搅拌罐(防止物料沉淀)等,若配套不当,会导致“主机选对了,却用不起来”。
四、总结:XAY55/1000-UK的适配场景,这款设备更适合中小型生产场景:如日处理20-50m³的市政污泥脱水、小型化工企业的中间体过滤、食品加工中的固液分离(如淀粉渣)。若你的物料腐蚀性中等、温度≤80℃、需一定自动化程度,且处理量匹配55㎡过滤面积,它会是性价比之选;反之,需针对性调整参数(如加大过滤面积至80㎡,或换耐强酸材质)。

声明一下:本网站上展示的产品仅用于工业上的污水固、液分离,由于产品的专业性和专用性,每件商品的具体性能和使用方法均不尽相同,页面上的描述仅供参考,并不适用于每个具体商品,您在决定购买之前,务必事前(老板电话13732231928)沟通。谢谢您的理解和支持!(本站仅用于产品展示,不接受线上交易)




