大型XAGZF150/1250-UK隔膜压滤机选型:核心在匹配与适配 选型的关键不在于设备本身的参数有多亮眼,而在于能否精准匹配物料特性、生产需求和运行环境。这款压滤机的“150”代表过滤面积150㎡,“1250”指滤板尺寸1250mm,“UK”表示聚丙烯材质滤板,可洗涤的过滤形式,Z表示动作式全自动PLC控制方式,F表示防腐型或者带翻板集液装置的机型,选型时需围绕这几大核心参数,结合实际场景拆解需求。
一、先看核心参数:是否能扛住“量”与“效”? 过滤面积、滤板尺寸、压榨压力是选型的“铁三角”,直接决定处理能力和过滤效果。
过滤面积150㎡:算清“每小时要处理多少料”过滤面积与处理量正相关,但不是简单的线性关系。一般来说,150㎡的隔膜压滤机适合中等规模固液分离场景(如化工中间体、矿山尾矿处理),单批次处理量约8-15m³(视物料浓度而定)。
计算逻辑:先确定每日总处理量(如200m³/天),再根据设备每天有效运行时间(通常8-12小时),反推每小时所需处理量(17-25m³/h),对比设备的设计处理范围(需咨询厂家具体物料下的处理效率)。
滤板尺寸1250mm:关注“物料颗粒与滤布匹配度”1250mm属于大型滤板,滤室容积较大(约0.1-0.15m³/块,总滤室数约58块),适合处理颗粒较大(如≥50μm)或粘度中等的物料。若物料是细泥(如市政污泥),需确认滤布孔径是否适配,避免堵塞;若颗粒过粗(如≥5mm),需提前预处理,防止滤板磨损。
隔膜压榨压力:根据“滤饼含水率要求”定,隔膜压滤机的核心优势是通过二次压榨降低滤饼含水率。XAGZF系列通常设计压榨压力为0.6-1.6MPa,选型时需明确要求:若滤饼需运输或焚烧(含水率≤60%),选1.2-1.6MPa高压款;若只需初步脱水(含水率70-80%),0.6-1.0MPa即可,可降低能耗。
二、再看物料特性:别让“料”为难设备 物料的性质是选型的“隐形门槛”,直接决定滤板材质、滤布类型和运行稳定性。 如:物料特性、 选型关注点、适配方案、腐蚀性(如酸碱),滤板材质需耐腐,选用增强聚丙烯(PP)或不锈钢滤板,温度(如高温料),密封件和滤板耐温性 ,密封件选丁腈橡胶(耐120℃以下)或氟橡胶(耐200℃以上),粘度(如高粘浆料),过滤速度和堵塞风险,增加预涂层或选用大孔径滤布,降低进料压力 。颗粒硬度(如石英砂), 滤板磨损程度,滤板边缘加耐磨衬垫,选用耐磨滤布。
举例:若处理含酸废水(pH=2-3),必须选耐酸的PP滤板+耐酸滤布,否则3-6个月就可能出现滤板开裂、漏料;若物料温度常达150℃,普通橡胶密封件会软化失效,需换氟橡胶材质。
三、平衡性能与成本:别为“多余功能”买单 选型时需区分“必要功能”和“附加功能”,避免过度配置。
必要功能:
自动拉板:减少人工,适合连续生产;
隔膜压榨:相比普通压滤机,滤饼含水率可降低10-20%,减少后续处理成本;
滤布清洗装置:若滤布复用率高(如每天使用),可延长滤布寿命30%以上。
需谨慎考虑的附加功能:
PLC全自动控制系统:若生产流程简单,手动+半自动即可满足,可节省30%左右的设备成本;
防爆设计:仅在物料易燃易爆(如溶剂回收)时才需要,普通场景无需配置。
四、常见选型误区:避开这些“坑”只看“过滤面积”,忽略“实际处理效率”:同样150㎡,处理低浓度物料(含固率5%)和高浓度物料(含固率30%)的效率差异可达3倍,需让厂家提供同类物料的实测数据。
认为“压力越高越好”:压榨压力超过物料承受极限(如脆性颗粒),会导致滤饼开裂,反而降低脱水效果,需根据物料抗压性调整(如煤泥适合0.8-1.2MPa,污泥适合1.0-1.4MPa)。
忽略“场地与安装条件”:1250mm滤板的设备整机长度约8-10m,宽度3-4m,需预留至少1.5m的操作空间,且地面承重需≥5t/m²,否则可能导致设备沉降。
总结:选型“物料特性+生产需求+设备参数”的精准匹配 选对XAGZF150/1250-UK隔膜压滤机,核心是先明确“处理什么料、要达到什么效果、有多少预算”,再围绕过滤面积、滤板材质、压榨压力等核心参数逐一匹配。记住:没有“**的设备”,只有“更适配的设备”,多让厂家提供同类案例的运行数据,比单纯看参数更靠谱。下面的我们的工程案例:
发四川巴中***科技公司XAGZF150/1250-UK隔膜压滤机一台套,是一台自动隔膜型压滤机,配置概述为:液压压紧自动保压型,配置自动拉板,自动翻板,以及自动隔膜压榨功能,全程PLC程序自动控制,下面我就来介绍一下这套过滤设备的一些简要安装和操作步骤:
一,机架安装
1,出售时机器裸露部分使用前应涂上防锈油脂(活塞杆行程部分)。
2,地脚螺栓应位于机架落地安装孔中央,螺栓端部高出联结面60mm左右。压紧端严禁固定,进料端需固定(允许焊接)
3,机器周围要留有余地.考虑安装、拆卸管道以及出滤饼和检修等的方便,特大型压滤机还应考虑滤板破损后的更换设施。
4,安装好压榨总管和分支压榨软管,充气(水)总管一端是进气(水)端(预留连接法兰);另一端是排气(水)端,要安装排气(水)阀门。

注 意:
在设备吊装、移位过程中,务必将充气(水)总管和分管(进气/水软管)拆下来,并将所有滤板卸下来,机架整体保持平衡吊装,以免造成压榨总管、滤板的损坏,以及造成机架主梁变形。
二,液压站的安装
1,液压站安装放置在油缸后端,根据油管连接长度调整至合适位置,以确保油管连接。
★2, 油管的连接:主油管有2根;靠近阀体位置偏下点的油管为进油管;和油缸后端的进油接头连接;靠近阀体位置偏上点的油管为回油管;和油缸前端的回油接头连接;
注 意:阀体上端为进油管;下端为回油管。(如果方向接反了,所有动作都反过来了)
3,液压用油推荐粘度为30cst (50℃)左右,相当普通液压油30#(新牌号:N46# 46cst,40℃)。粘度指数不低于95,闪点(开口)不低于170℃,凝点不高于-15℃。如环境温度偏低,用户可选用相似粘度低凝点的液压油。加油至液面线上限。
注意:若液压油太少,导致油缸压紧、放松过程中腔内有空气,以造成压力不稳定或无压力。
警 告:未加液压油前电机严禁启动!
4,电接点压力表的上下限调整至20MPa—22MPa;松开溢流阀固定螺母;转动手轮可以调节主油缸压力;转动调速阀,可以调节自动拉板的速度(以实际配置为准);
注 意:电接点的压力范围和调压螺栓的压力均在出厂前已经调好,一般不要去随意调。(压力表的上下限可能在运输过程中因震动而造成上下限指针不准;使用前需手动调整一下)
三,电器安装
★1, 按线路容量选好橡套软电缆,外套金属软管,主动力电线分别接入L1、L2、L3和 N;翻板以及拉板电机电线接入,对应于机架上的接线端子序号即可;开动设备试运转;观察油泵电机(风叶从上端往下看)应顺时针旋转。
注 意:油泵电机(风叶从上端往下看)一定要顺时针旋转;否则,压力不工作。
(电机方向可以根据需要采取互换接线端子的位置,进行调整)。
2,为防止滤板的永久性变形和压滤机的强度,因此不允许压紧力过高。操作者应当遵守我公司规定的具体数据。
四,操作步骤:
.
1,准备:装上滤布,并使滤布在滤板边框密封面上平整无皱褶。
2,压紧:(拉板器必须退回至初始位置位于接近开关以下信号灯亮起)
按下“压紧”按钮(连续第二次为压紧停止),机器启动液压系统将滤板推向止推板,直至将全部滤板锁紧,压力升至所调定的上限(红针)压力后,机器将自动停止、保压。
3,进浆:开启所有出液阀门、进浆阀门并启动进浆泵开始过滤。同时翻板务必闭合,以便滤布渗漏液导入两边集水槽内。进浆过滤时间根据物料的浓度及所配滤布的透水性而定,具体时间规定,以出液口出水为线状或滴漏状为宜。进浆完成后关闭进浆泵,并开启回流阀门使残余物料倒灌至泥浆池。

注意:进料端务必加装压力控制装置,和回流装置。以确保滤饼压榨压力在可控范围(≤0.8MPa)内,否则,会造成滤板和料泵的损伤!
1,隔膜压榨:过滤完工后,根据工艺要求进行洗涤或吹气(进水)压榨等;开启压榨总管气阀,对滤饼进行隔膜压榨。隔膜压榨通常在滤饼洗涤时用来压实滤饼,在脱水时用来压出滤饼中残留的滤液。压榨是通过压榨介质(压缩空气或水)引入每块隔膜滤板中形成挤压压力来实现的。压榨完成以后,关闭进气(水)总阀,同时开启放气(水)阀门,将每块隔膜板压榨腔室里气体(水)全部排空;
注 意:
1)要防止洗涤水溅入电机、电磁阀或电控箱内,造成电磁阀线圈烧坏,等其他电器故障,用户现场务必做好防护措施。
2)过滤与压榨:过滤完成状态的判断一般经验为:出液管道液体呈“滴漏”状态或没有液体流出;同时进料压力表压力上升至0.6MPa左右或更高状态。这时滤室内滤饼已经填充满了,料泵压力上升,初始滤饼是靠料泵的进给压力进行压榨的;隔膜压榨是在过滤工序完成后,对每个膈膜片腔室充气或进水,隔膜鼓胀,压实滤饼,是对滤饼的二次脱水!
3)严禁空腔压榨,严禁在滤饼未完全形成时压榨;
4)在允许的压榨力范围内进行压榨,强迫滤饼二次脱水;脱水的效果要根据物料的脱水性能而定!
2,松开:(压紧保压情况下按松开前应先按一下“压紧”使机器退出保压状态)按下“松开”按钮机器启动液压系统将油缸后腔的高压释放。此时将会有油压释放的噪音,属于正常现象。压力下降后油缸退回,当退回到极限位置(接近开关信号灯亮起)自动停止。
注意:在松开滤板之前,一定要释放滤室内的一切压力(泄进料压力:关闭进料阀;泄隔膜压榨压力:关闭进气阀,打开放弃阀,排空隔膜腔室内的压榨空气)!否则会造成不必要的危险事故。
3,卸料:(压紧板必须退回至极限位置使横梁下方接近开关信号灯亮起)
按下“拉板向前”按钮(连续第二次为压紧停止),拉板器逐块将滤板拉开并卸下滤饼(卸料过程中,这时候翻板同时打开,以便导入卸下来的滤饼。如果滤饼含水率过滤高或者粘性太大未能脱落干净,应在卸料拉板过程中拉动暂停拉线装置,使拉板器暂停运动,用手抖动滤布或者借助工具将粘在滤布上的物料清理干净,再次拉动暂停拉线装置继续卸料,不能在滤布上特别是滤板的密封面上粘有残余滤饼,以免造成喷浆)直至拉完所有滤板后,拉板器将回到初始位置(接近开关信号灯亮起)自动停止,翻板复位闭合。卸料完成。
4,按“压紧”按钮,进入下一个循环。
注 意:在操作过程中,如发生紧急情况,务必要按“即停”按纽,进料端建议安装回流阀,以防止进料压力太高,而造成压滤机损伤(如下图)
五、注意事项:
1,在过滤和洗涤的操作过程中,应随时观察滤液出口流出的滤液是否浑浊,若发现滤液连续长时间的浑浊不清,则表明该滤板相应的滤布有破损,应在当前工作循环结束后更换已经破损的滤布。以免造成滤板因单面承受压力而破损,造成不必要的损失。
2,必须按本说明书严格控制进浆压力(0-0.6MPa调整回流阀门进行控制),不得随意提高进浆或洗涤压力(一般来说:进浆压力越高,滤饼含水率则越低)。如果有需要提高进浆或洗涤压力以降低滤饼含水率,应及时与供应商联系。
3,卸饼过程中须是滤饼脱落干净,滤布应无褶皱。滤板下框密封面应平整无无聊残留,以免造成滤板倾斜压紧板抬起造成油缸活塞杆弯曲及下次过滤或洗涤时造成“喷浆”现象。
4,操作人员不得随意调高液压压力(20-25MPa),以免损坏机器,造成事故。
5,如需进入机架内整理滤布或者维修滤板工作,必须切断总电源,以免发生危险。
6,压滤机长时间不用应处于松开状态。
请严格按以上程序执行,如有不清楚的地方只要给我们电传或打电话,我公司很愉快地为您提供有关我们产品的情况并为您排忧解难。
六、XGZF150/1250隔膜压滤机技术参数图

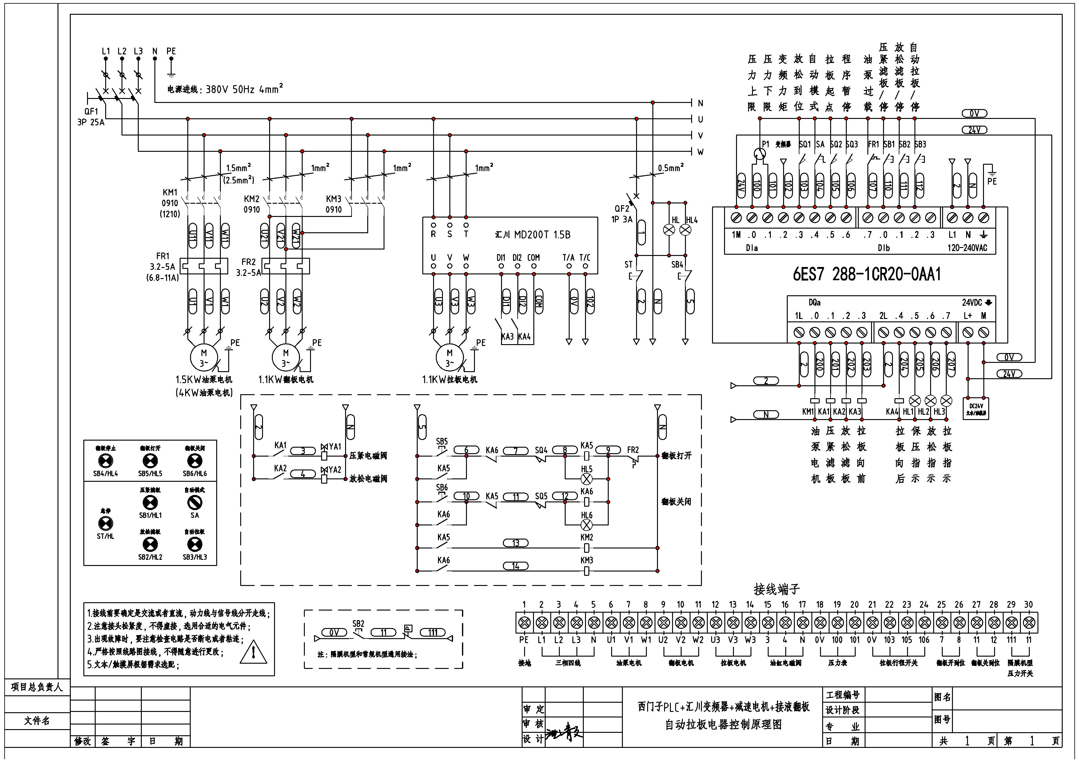
七、XGZF150/1250型隔膜压滤机电器原理图

八、自动拉板型隔膜压滤机操作规程及注意事项
A、操作方式
1. 确认液压油加满、滤布安装平整、滤板间无杂物,打开电源,确认电机顺时针转;
2. 启动“压紧滤板/停”;油缸向前压紧到达指定上限压力后自动保压;
3. 保证在使用过程中,压滤机“压紧滤板/停”按钮灯常亮;
4. 开启进料阀门和回流阀门,启动进料泵;
5. 根据水压及出水情况调节回流阀,保证其进料压力不超出滤板承受范围(≤6Kg);
6. 待水咀没水或只有少量水滴流而出时,停止进料;关闭进料泵及阀门;
7. 开启隔膜压榨管进气(进水)阀门,关闭放气(放水)阀门;
8. 开始进气(进水)隔膜压榨,待水咀没水流出时,停止进气(进水)压榨;
9. 关闭隔膜压榨管进气(进水)阀门,开启放气(放水)阀门;
10.确认隔膜板内气压(水压)全部排空,才能放松滤板;(否则在保护开关损坏的情况下可能会造成设备损坏或人员伤亡)
11.按下“压紧滤板/停”将该按钮的灯按灭,取消保压状态;
12.启动“放松滤板/停”,待压滤机泄压并压紧板退回到底,接触到行程开关后电机自动停止;
13.启动“自动拉板/停”,开始自动循环拉板;
14.拉板过程中可以拉横梁侧面的暂停拉线,随时暂停拉板;注意:当拉板一个循环工作完成之后,会有一个短暂卸料停顿,在此停顿时间内拉暂停拉线无效;
15.拉板机械手拉完最后一块板后,会接触到止推板处的行程开关和机械手复位撞块,使机械手钩子复位到低于机械手上平面,时间继电器无效,然后自动退回到起始位置,并自动停止;
B、信号说明
因为拉板系统是由“程序可编程控制器”(简称PLC)控制,所以一般常见的拉板问题,大部分都是由PLC未接受到信号或者信号出现故障造成;而本公司程序设定,拉板信号总共由03、05、06几个信号灯控制,下面就来讲解常用信号灯的位置及其作用:
1. 如果出现电器故障,首先观察PLC上输入端的信号灯,哪些信号灯是亮的(绿灯),亮则表示该信号已接收;
2. 00号灯亮表示压力表指针到达压力上限;
3. 01号灯亮表示压力表指针低于压力下限;
4. 03号灯对应的是油缸活塞杆处的行程开关,当行程开关闭合时该信号灯亮,信号命令是:松开退回到底状态;
5. 05号灯对应的是油缸座处,大梁上平行于拉板机械手的行程开关,当行程开关闭合时该信号灯亮,信号命令是:拉板机械手在起始位。
6. 06号灯对应的是05号行程开关下面的行程开关,和暂停拉线绑定。信号命令是:拉板暂停。
C、注意事项:
1. 在隔膜压榨时,不能启动放松按钮,启动放松按钮前需将隔膜压榨压力排空,不能完全依靠压力保护开关,如压力保护开关损坏,必须马上更换;(否则隔膜板内压力未排空,就启动松开,可能会造成的设备损坏和人员伤亡)
2. 启动“压紧滤板/停”时,01、05 号灯亮;
3. 压力到达上限保压后,00、05号灯亮;
4. 启动“放松滤板/停”时,05 号灯亮,03 号灯不能亮;
5. 启动“自动拉板/停”时,03、05 号灯亮;但是当拉板机械手向前走动后,05号灯会灭,如果不灭,不会启动拉板向后;
6. 如果有信号灯有问题,则检查其对应的行程开关,行程开关里面有两组触点,一组常开,一组常闭;该设备所有行程开关接的是常开触点。
7. 按钮板上的按钮,除红色按钮是急停按钮外(带自锁功能),其他绿色按钮均为点动按钮(自复位),按一次启动,按第二次停止。
8. 设备常规保养,自动拉板机械手、链条、链轮、大梁导轨、液压件固定螺丝都需要上油润滑,避免出现生锈等现象;
9. 设备出厂时,在标牌处有常见故障及排除方法,如遇故障可借鉴排除。
附1:隔膜压滤机的接管示意图


附2:一般压滤机常见故障原因与排除方法
异 常 情 况 | 原 因 | 处 理 方 法 |
油 缸 压 力 不 足 | ·压力表损坏 ·管路漏油 ·油缸内密封圈漏油 ·电器故障 ·油泵工作不正常 ·溢流阀故障 ·液压油不洁 | ·更换压力表 ·修理管路及接头 ·更换密封圈 ·检修电器 ·检修并修理油泵 ·清洗溢流阀 ·过滤或更换液压油 |
单 个 滤 室 漏 液 | ·滤板密封面或滤布有损坏 ·密封面存在有污垢 ·滤布在密封面有皱折 ·滤布孔偏歪 ·部分新滤布 ·进料压力超值 ·不正确的压滤机压紧力 | ·更换滤板或更换滤布 ·消除污垢 ·平整滤布 ·调整滤布孔位 ·使用数次会正常 ·选用合适的进料压力 ·选用合适的压紧力 |
所 有 滤 室 漏 液 | ·安装新滤布后会出现 ·滤布的密封性差 ·压紧力太小 ·滤液排出不畅 | ·使用数次会正常 ·选用合适的滤布 ·调整压紧力 ·改善排出性能 |
滤 液 浑 浊 | ·滤布破损 | ·更换滤布 |
滤框、滤板 变形 | ·进料管道堵塞、过滤有压差 ·温度超值 ·压紧力太大 ·滤室内充盈量过多 ·密封面存有污垢 | ·检查滤布进料孔有否错位 ·降低温度值 ·减小压紧力 ·进料时间太长 ·消除污垢 |
头、尾 板漏液 | ·头尾板固定螺钉塑封处有裂缝 ·进出液衬管破裂,或焊缝出有裂缝 | ·重新塑料焊接 ·更换进出液衬管或进行补焊 |
拉板脱勾 | .拉勾复位拉簧锈蚀。 .滤板把手磨损。 | ·更换新拉簧。 ·更换新把手 |
如您在压滤机、过滤工程选型中需要更多的过滤与分离方面的咨询,欢迎来电(13732231928周经理)咨询,我们可根据您现场过滤工况和您共同做好设备方案设计和科学选型。




